EasyManua.ls Logo

Bosch CCS800 - Recorder-In to Line-Out Measurement

Bosch CCS800
72 pages
Print Icon
To Next Page IconTo Next Page
To Next Page IconTo Next Page
To Previous Page IconTo Previous Page
To Previous Page IconTo Previous Page
Loading...
CCS800 | Service manual | Chapter 7 | Diagnostics and faultfinding en | 29
Bosch Security Systems | 2005-01| 3922 880 21112
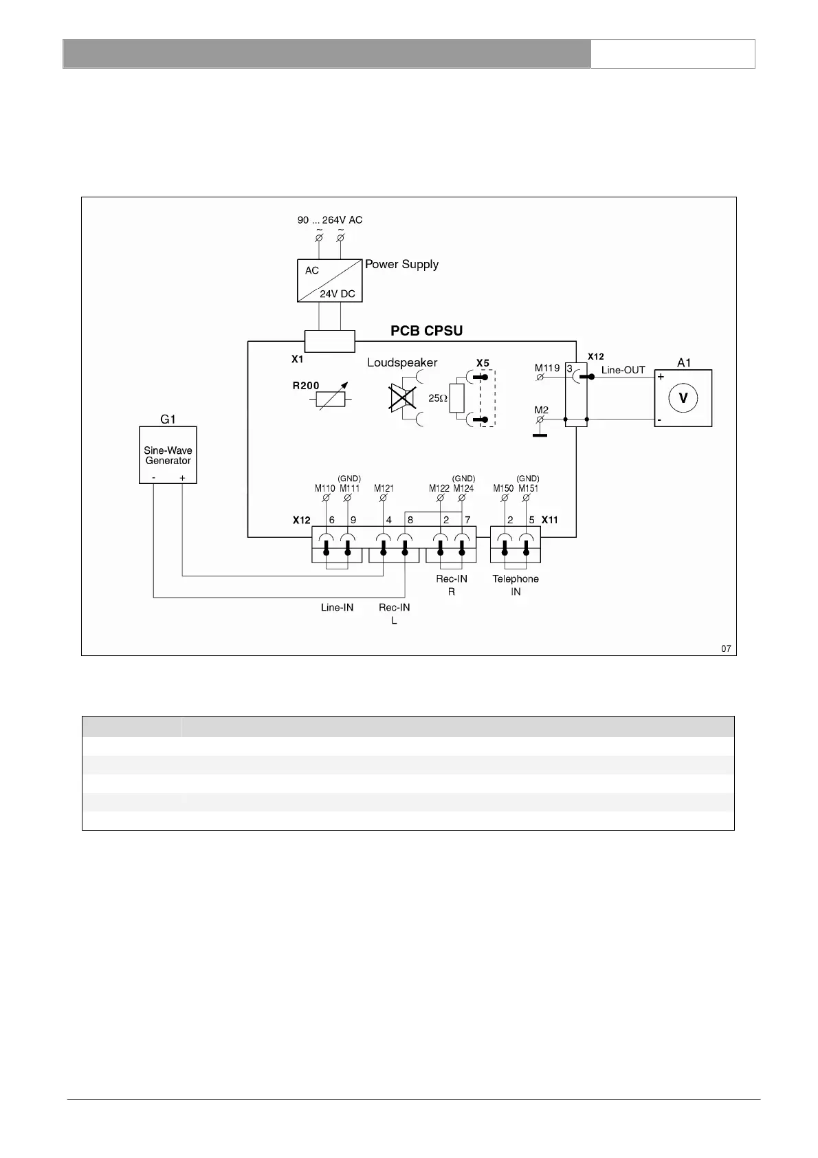
7.3.10 Recorder-in to Line-out measurement
Remove the interconnections of REC-IN-L and REC-IN-R and connect successively a sine-wave generator to the REC-IN-
L and REC-IN-R connector. Measure the output signal at the LINE-OUT connector.
NOTE: be sure that the gain control potentiometer (R200) of the recorder input is set to the middle position.
Input setting G1: M121 & M122 related to M124 (GND), see table below.
Settings for G1 Measurement results for A1
Amplitude Frequency Amplification
Nominal level -20dBV (100mV
rms
) 1kHz -16.5dBV ± 2dB (85dB SPL)
Maximum level +5dBV (1.78V
rms
) 1 kHz +9.5dBV ± 2dB (110dB SPL)
Bandwidth -20dBV (100mV
rms
) 125 Hz -0.5dB ± 1dB related to nom. level at 1kHz
Bandwidth -20dBV (100mV
rms
) 12.5 kHz -1dB ± 1dB related to nom. level at 1kHz.
Reference: M119, R300 See Ch. 13.6

Table of Contents

Related product manuals