EasyManua.ls Logo

Bosch CRS 845 - CP 3.x Hydraulic System

Bosch CRS 845
Print Icon
To Next Page IconTo Next Page
To Next Page IconTo Next Page
To Previous Page IconTo Previous Page
To Previous Page IconTo Previous Page
Loading...
36
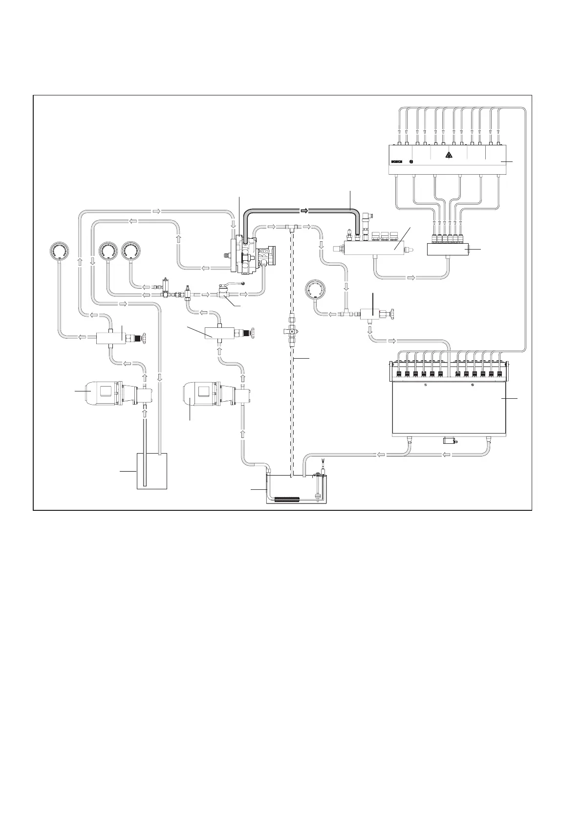
3.1.3 CP 3.x
kPa
0
100
200
300
400
500
600
MPa
0
1
2
3
4
5
6
kPa
-100
-50
0
50
100
150
200
250
1 2 3 4 5 6
1.1 1.2 2.1 2.2
3.1 3.2 4.1 4.2 5.1 5.2 6.1 6.2
458797-28
5
14
9
15
0-6 MPA 0-600 kPA
-100 - 250 kPA
10
12
11
13
1
8
MPa
0
0.2
0.4
0.6
0.8
1.0
0-1 MPA
2
3
4
6
7
1 Heat exchanger
2 Fuel distributor
3 KMA measuring unit
4 EPS test-oil tank
5 EPS test-oil supply pump
6 Lubricating-oil tank
7 Lubricating-oil pump
8 Control valve for lubricating-oil pressure
9 Control valve for pump supply pressure
10 Feed tap
11 Common-rail high-pressure pump CP 3.x
12 High-pressure hose
13 High-pressure rail with pressure sensors and pressure regulating valves
14 Control valve for pump overflow pressure
15 Return line with adjustable throttle
(only in connection with return connection for CP 3.4)

Other manuals for Bosch CRS 845

Related product manuals