EasyManua.ls Logo

Bosch rexroth A4VSO 10 Series - Page 99

Bosch rexroth A4VSO 10 Series
126 pages
To Next Page IconTo Next Page
To Next Page IconTo Next Page
To Previous Page IconTo Previous Page
To Previous Page IconTo Previous Page
Loading...
RE 92050-01-X-B2/2019-08-23, BoschRexrothAG
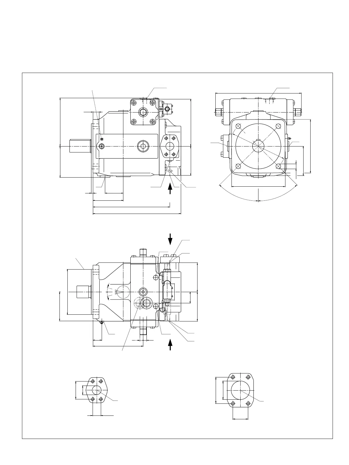
23 Axial piston variable pump | A4VSO Series 10, 11 and 30
Dimensions, size250
Dimensions [mm]
Dimensions, size250
DR – Pressure control; flange valve version metric
(for further dimensions of control units, please refer to the respective data sheets)
K
2
K
1
T
M
B
M
S
S
U
M
1
B
B
1
M
2
B
S
R(L)
B
R(L)
R(L)
X
Y
Y
380
144
435
30
153
150
8 90
ø280
265
145
265
ø24
(426)
43
144
17
55
144
248
ø224
h8
79.4
36.5
ø40
ø75
106.4
61.9
144
233
17
238
15 15 0
L
R
45°
45°
Flange224, 4-hole
according to ISO3019-2
Ground t
erminal
1)
Control valve mounting
for clockwise rotation
Control valve mounting for
counter-clockwise rotation
2. High-pressure port
B1, illustrated without
flange plate
1) Ground terminal configured for up to 2×4mm
2
. Minimum cross section for ground wire 2.5mm
2
ViewY
ViewX
Location R(L) for HD control

Table of Contents

Related product manuals