EasyManua.ls Logo

Broaster 1800GH - Export 1600 Xp St

Default Icon
80 pages
Print Icon
To Next Page IconTo Next Page
To Next Page IconTo Next Page
To Previous Page IconTo Previous Page
To Previous Page IconTo Previous Page
Loading...
2-3
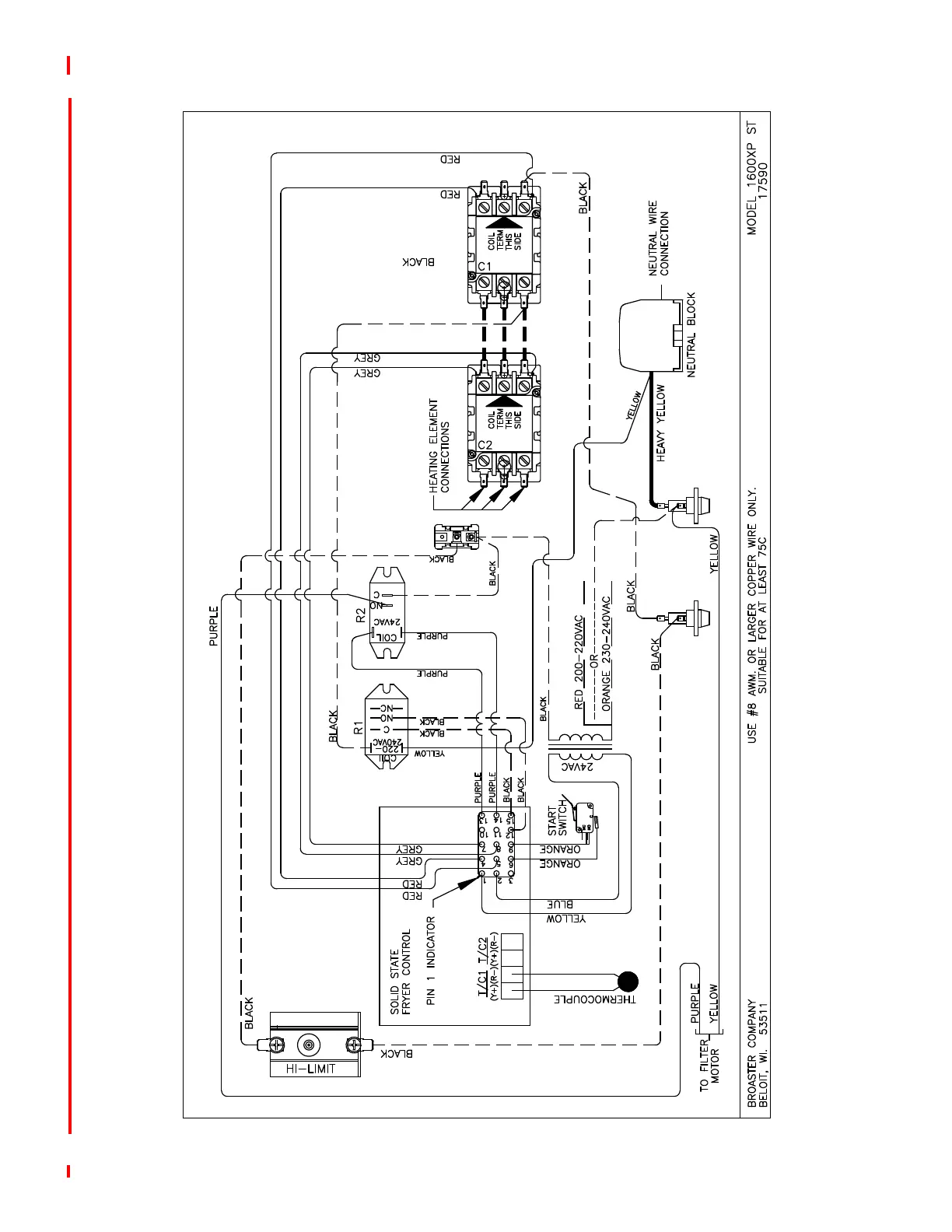
EXPORT 1600XP SmartTouch
broaster.com Manual #17270 10/13 rev 5/16

Table of Contents

Related product manuals