EasyManua.ls Logo

BRP Evinrude E-Tec 300 - Page 411

BRP Evinrude E-Tec 300
416 pages
Print Icon
To Next Page IconTo Next Page
To Next Page IconTo Next Page
To Previous Page IconTo Previous Page
To Previous Page IconTo Previous Page
Loading...
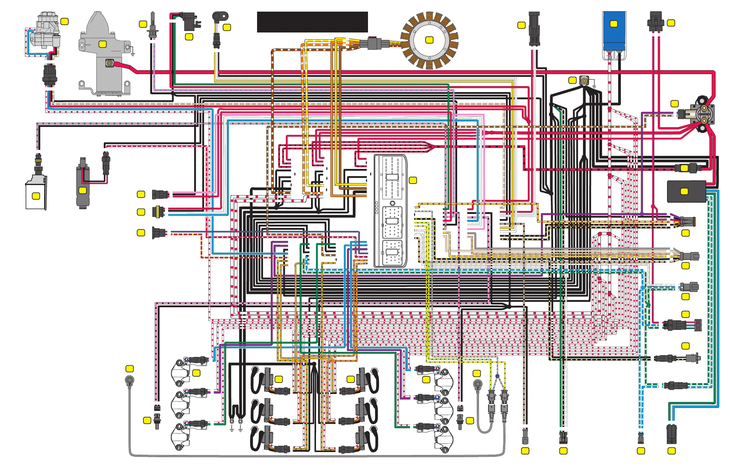
1. Oil Injector
2. Electric Starter
3. Air Temperature Sensor
4. Throttle Position Sensor
5. Crankshaft Position Sensor
6. Stator
7. Diagnostic Connector
8. Main Harness Ground
9. Capacitor
10. Fuse (10 Amp)
11. Water-in-Fuel Sensor
12. High Pressure Fuel Pump
13. Water Pressure Sensor (CANbus)
14. CANbus Connector
15. Rear Oil Pump
16. EMM
17. Starter Solenoid
18. Accessory Charge Connector
19. Trim/Tilt Relay Module
20. Key Switch
21. SystemCheck Connector
22. Trim/Tilt Connector
23. Trim/Tilt Switch
24. Shift Switch
25. Temperature Sensor (2)
26. Knock Sensor
27. Fuel Injector (6)
28. Ignition Coil (6)
29. Low Oil Switch
30. Trim Sending Unit
31. Tilt Limit Switch
32. Trim/Tilt Motor
008331
FUSE
18 19 20 21 22 23 24 25
10 11 12 13 14 15 16 17
1
3
5
2
4
6
28
10
20 21 22 23 24 25 26 27 28 29
11 12 13 14 15 16 17 18 19
1 2 3 4 5 6 7 8 9 10
22
20
21
1 2 3 4 5 6 7 8 9
1 2 3 4 5 6 7
14 15 16 17 18 19
8 9 10 11 12 13
+
1
2
32313029
24
23
27
25
3
4
5
6
7
8
9
11
12
13
14
16
17
18
19
25
20 21 22 23 24 25 26
1 2 3 4 5
1 2
2 1
B A
1 2 3 4
3 2 1
A B C
1 2 3
C A B
B A
A B
1
C B A
3 2 1
1 2
2 1
C B A
2 1
A B
A B
1 2
1 2
1 2
1 2
1 2
1 2
1 2
B A
2
3
65
4
1 2
3
6 5
4
1 2 3
4 5 6
1 2 3 4 5
J2
J1-B
J1-A
3.4 L V6 / 250-300HP E-TEC
1
3
5
2
4
6
28
27
3 2 1
3 2 1
3 2 1 3 2 1
3 2 1 3 2 1
26
26
26 27 28 29 30 31 32 33 34
A B
15

Table of Contents

Related product manuals