EasyManua.ls Logo

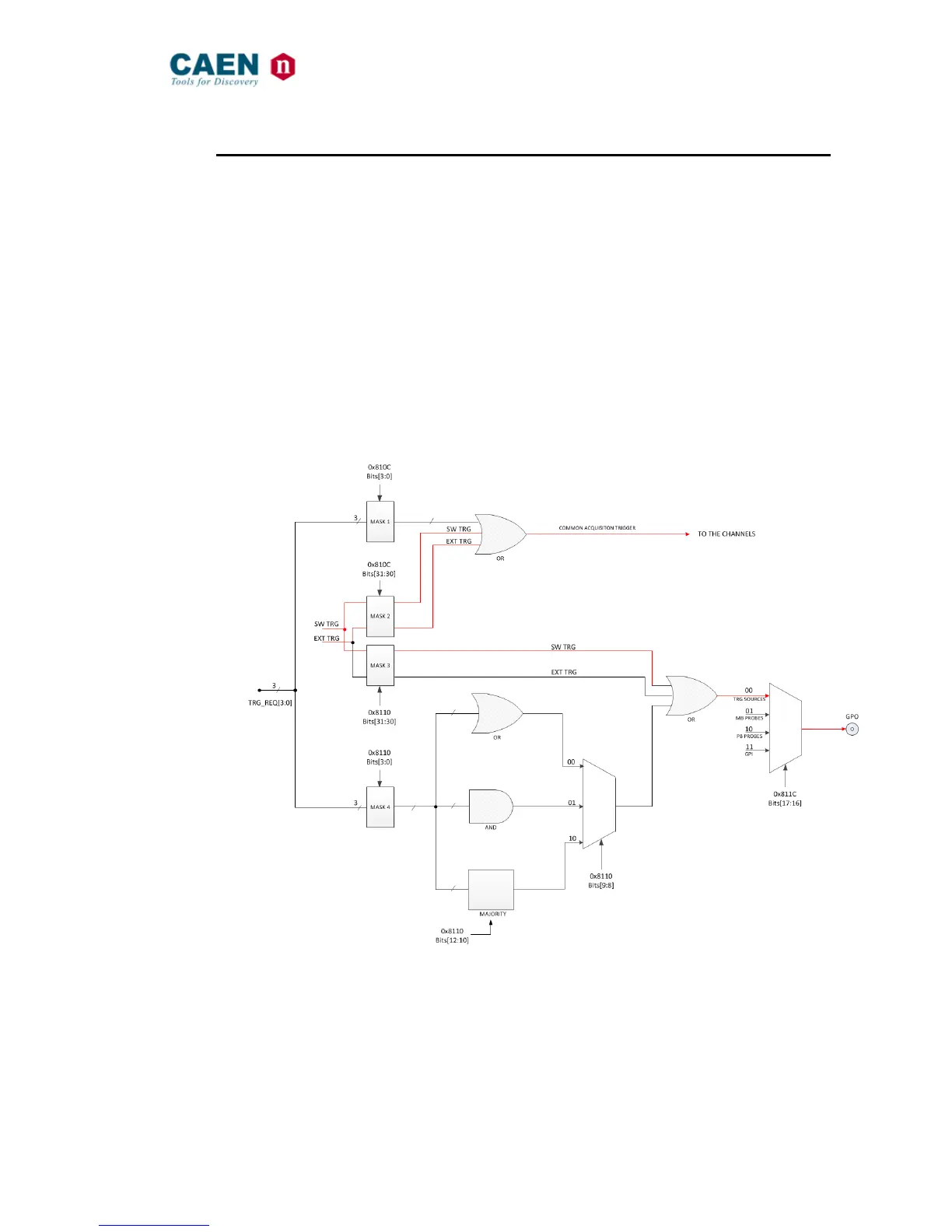
Caen DT5740 - Trigger Distribution; Fig. 3.10: Trigger Configuration on GPO Front Panel Output Connector

Default Icon
50 pages
Print Icon
To Next Page IconTo Next Page
To Next Page IconTo Next Page
To Previous Page IconTo Previous Page
To Previous Page IconTo Previous Page
Loading...
Document type:
Title:
Revision date:
Revision:
User's Manual (MUT)
Mod. DT5740 32 Channel 12bit - 65MS/s Digitizer
04/05/2016
12
NPO:
Filename:
Number of pages:
Page:
00100/09:5740x.MUTx/12
DT5740_REV12.DOC
50
34
3.4.5 Trigger Distribution
As described in § 3.4, the OR of all the enabled trigger sources, synchronized with the internal
clock, becomes the common trigger of the board that is fed in parallel to all channels,
consequently provoking the capture of an event. By default, only the Software Trigger and the
External Trigger participate in the common acquisition trigger (refer to the red path on top of Fig.
3.10).
A Trigger Out signal is also generated on the relevant front panel GPO connector (NIM or TTL),
and allows to extend the trigger signal to other boards. Thanks to its configurability (see Fig.
3.10), GPO can propagate out:
- the OR of all the enabled trigger sources (only the Software Trigger is provided by default, as
in the red path of Fig. 3.10);
- the OR, AND or MAJORITY exclusively of the channel trigger requests
Fig. 3.10: Trigger configuration on GPO front panel output connector
The registers involved in the GPO programming are:
- Register address 0x8110;
- Register address 0x811C.

Table of Contents

Related product manuals