EasyManua.ls Logo

Canon Canovision8 E50E - Page 23

Canon Canovision8 E50E
179 pages
Print Icon
To Next Page IconTo Next Page
To Next Page IconTo Next Page
To Previous Page IconTo Previous Page
To Previous Page IconTo Previous Page
Loading...
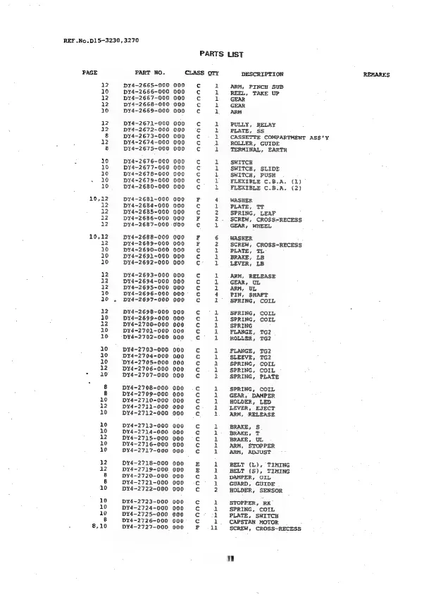
REF
.No.D25-3230,3270
PARTS
LIST
PAGE PART
NO.
E
i
DESCRIPTION
REMARKS
a2
DY4-2665-000
000
ARM,
PINCH
SUB
10
D¥4-2666-000
000
REEL,
TAKE
UP
12.
D¥4-2667-000
090
GEAR
12
DY4-2668-000
000
GEAR
10
DY4-2669-000
000 ARM
12
DY4-2671-000
000
12
DY4-2672-000
000
8
DY4-2673-000
000
ae
DY¥4-2674-000
000
8
DY4-2675-000
000
PULLY,
RELAY
PLATE,
SS
CASSETTE
COMPARTMENT
ASS'Y
ROLLER,
GUIDE
TERMINAL,
EARTH
10
DY4-2676-000
000
10
DY4-2677-000
000
10
DY4-2678-000
000
.
10
DY4-2679-000
000
10
DY4-2680-000
000
SWITCH
SWITCH,
SLIDE
SWITCH,
PUSH
FLEXIBLE
C.B.A.
(1)
FLEXIBLE
C.8.A.
(2)
PEE
BERR
Re
10,12
DY4-2681-000
G00
12
DY4-2684-000
000
12
DY4-2685-000
000
12
DY4-2686-000
000
12
DY4-2687-000
000
WASHER
PLATE,
TT
SPRING,
LEAF
SCREW,
CROSS-RECESS
GEAR,
WHEEL
10,12
DY4-2688-000
000
WASHER
12
DY4-2689-000
000
SCREW,
CROSS-RECESS
10
DY4-2690-000
000
PLATE,
TL
10
DY4~2691-000
000
BRAKE,
LB
10
DY4-2692-000
000
LEVER,
LB
12
DY4-2693-000
000
ARM,
RELEASE
12
DY4-2694-000
000
GEAR,
UL
12
DY4-2695-000
000
ARM,
UL
10
DY4-2696-000
000
PIN,
SHAFT
10
.
D¥Y4-2697-000
000
SPRING,
COIL
12
DY4-2698-000
000
SPRING,
COIL
10
DY4-2699-000
000
SPRING,
COIL
12
DY4~2700-000
000
SPRING
lo
DY4~-2701-000
O00
FLANGE,
TG2
10
D¥4~2702~000
000
ROLLER,
TG2
lo
DY4-2703-000
000
FLANGE,
TG2
io
D¥4-2704-000
000
SLEEVE,
TG2
10
DY4-2705-000
000
12
DY4-2706-000
000
wi
10
DY4-2707-000
000
SPRING,
COIL
SPRING,
COIL
SPRING,
PLATE
8
DY4-2708-000
900
8
DY4-2709-000
000
io
DY4-2710-000
000
iz
D¥4-2711-000
oco
io
DY4-2712-000
000
SPRING,
COIL
GEAR,
DAMPER
HOLDER,
LED
LEVER,
EJECT
ARM,
RELEASE
10
DY4-2713-000
000
BRAKE,
S
10
DY4-2714-000
000
BRAKE,
T
12
DY4-2715-000
000
BRAKE,
UL
10
DY4-2716-000
900
ARM,
STOPPER
10
OY4-2717-000
oGo
ARM,
ADJUST
12
DY4-2718-000
000
12
DY4-2719-000
900
8
DY4~2720-000
000
8
DY4-2721-000
000
10
DY4-2722-000
000
BELT
(L),
TIMING
BELT
(S),
TIMING
DAMPER,
OIL
GUARD,
GUIDE
HOLDER,
SENSOR
10
DY4-2723-000
000
10
DY4-2724-000
000
10
DY4-2725-000
000
8
DY4-2726-000
000
8,10
DY4-2727-000
900
STOPPER,
RK
SPRING,
COIL
PLATE,
SWITCH
CAPSTAN
MOTOR
SCREW,
CROSS-RECESS
9NNANN
OOAMM
ANNONA
ANAAN
ANAAN
aNAAN
AAAAN
ANAM”
ANAAM
AAQANA
AANAN
ANAAN
Be
RBH
NEBR
BRE
RR
BR
MR
NR
BR
BN
ra
19

Table of Contents

Related product manuals