EasyManua.ls Logo

Canon Canovision8 E50E - Page 24

Canon Canovision8 E50E
179 pages
Print Icon
To Next Page IconTo Next Page
To Next Page IconTo Next Page
To Previous Page IconTo Previous Page
To Previous Page IconTo Previous Page
Loading...
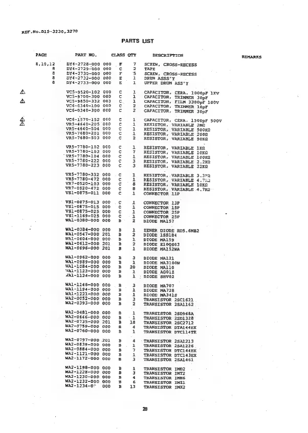
REF
.NO.D15-3236,3270
PARTS
LIST
PAGE
PART
NO.
CLASS
QTY
DESCRIPTION
REMARKS
8,10,12
DY4-2728-000
900
F
7
SCREW,
CROSS-RECESS
8
DY4-2729-000
900
¢
2
TAPE
8
DY4~2730-000
000
-F
5
SCREW,
CROSS-RECESS
8
DY4-2732-000
000
£
1
DRUM
ASSS*y
8
DY4-2733-000
000
—E
i
UPPER
DRUM
ass'y
A
ve5-9520-102
900
«¢
1
CAPACITOR,
CERA.
1000pF
1KV
VC5-9700-300
000
1
CAPACITOR,
TRIMMER
30pF
a
VvCS-9850-332
003
Cc
1
CAPACITOR,
FILM
3300pF
100V
VC6-0340-100
000
¢
2
CAPACITOR,
TRIMMER
10pF
VC6-0340-300
000
«Cc
2
CAPACITOR,
TRIMMER
30pF
4a
vC6-1570-152
000
Cc
1
CAPACITOR,
CERA.
1500pF
500v
&
VR5-4640-205
000
¢ 1
RESISTOR,
VARIABLE
2m?
VRS~4640-504
000
C
1
RESISTOR,
VARIABLE
500KN
VR5~7680-201
000
c
1
RESISTOR,
VARIABLE
2002
VR5~-7680-503
000
¢
2
RESISTOR,
VARIABLE
SOKQ
VR5-7780-102
000
c
1
RESISTOR,
VARIABLE
1xn
VR5-7780-103
000
¢
7
RESISTOR,
VARIABLE
10K2
VR5-7780-104
000
¢
1
RESISTOR,
VARIABLE
100K2
VR5-7780-222
000
¢
3.
RESISTOR,
VARIABLE
2.2K2
VR5-7780-223
000
¢ 3
RESISTOR,
VARIABLE
22K2
VRS-7780-332
000
¢
1
RESISTOR,
.
VARIABLE
3.372
VR5-7780-472
000
¢
1
RESISTOR,
VARIABLE
4
VR7-0520-103
000
¢
8
RESISTOR,
VARIABLE
10K2
VR7~0520-472
000
c
8
RESISTOR,
VARIABLE
4.7K2
VS1-0875-011
000
c
1
CONNECTOR
11P
VS1-0875-013
000
¢
1
CONNECTOR
13P
VS1-0875-015
000
c
1
CONNECTOR
15P
VS1-0875-025
000
Cc
1
CONNECTOR
25P
-
VS1-1169-025
000
¢
2
CONNECTOR
25P
WA1-0380-000
000
B
2
>
DIODE
MA157
WA1-0384-000
000
B
2
ZENER
DIODE
RDS.6MB2
WAL-0547-000
201
B
2
DIODE
185184
WA1~0604-000
200
B
2
DIODE
MALS9
WAL-0612-000
201
B
2
DIODE
£10QS03
WAL-0696-000
201
B
2
DIODE
MAlS2wA
WA1-0962-000
000
B
3
DIODE
MAL21
WA1-0989-000
000
B
1
DIODE
MA3100W
WA1-1084-000
000
B
20
DIODE
MAL1O
WA1-1123-000
000
B
2
DIODE
AGO1Z
#AL-1124-000
000
B
2
=
DIODE
SHVO2
WA1-1146-000
000.
B
3
DIODE
MA707
WA1-1194-000
000
3B
1
DIODE
MA728
WAL-1221-000
000
B
1
DIODE
MA341s
WA2-0052-000
000
B
3.
TRANSISTOR
2SC1621
WA2-0393-000
000
B
2
TRANSISTOR
2SA1162
WAZ-0481-000
000
B
1
TRANSISTOR
2SD968A,
WA2-0646-000
000
B
1
TRANSISTOR
-2SD1328
WA2-0735-000
201
B
18
TRANSISTOR
2SC2712
WA2-0759-000
000
B
4
TRANSISTOR
DTA144EK
WA2-0760-000
000
B
1
TRANSISTOR
DTC114TK
WA2-0797-000
201
8
4
TRANSISTOR
2881213
WA2-0838-000
000
8B
1
TRANSISTOR
2SA1226
WA2-0886-000
000
8
7
TRANSISTOR
DTC144EK
WA2-1221-000
000
5
i
TRANSISTOR
DTC143EK
WA2-1172-000
000
«6-8
3
TRANSISTOR
2SA1461
WA2-1198-000
000
B
1
TRANSISTOR
IMD2
WA2-1228-000
000
B
3
TRANSISTOR
IMTZ
WA2~1230-000
000
B
4
TRANSISTOR
IMH6
WA2-1232-000
000
3B
6
TRANSISTOR
IMZi
WAZ-1234-07
000
B
13
TRANSISTOR
IMX2

Table of Contents

Related product manuals