EasyManua.ls Logo

Canon EOS 50 E - Page 172

Canon EOS 50 E
207 pages
Print Icon
To Next Page IconTo Next Page
To Next Page IconTo Next Page
To Previous Page IconTo Previous Page
To Previous Page IconTo Previous Page
Loading...
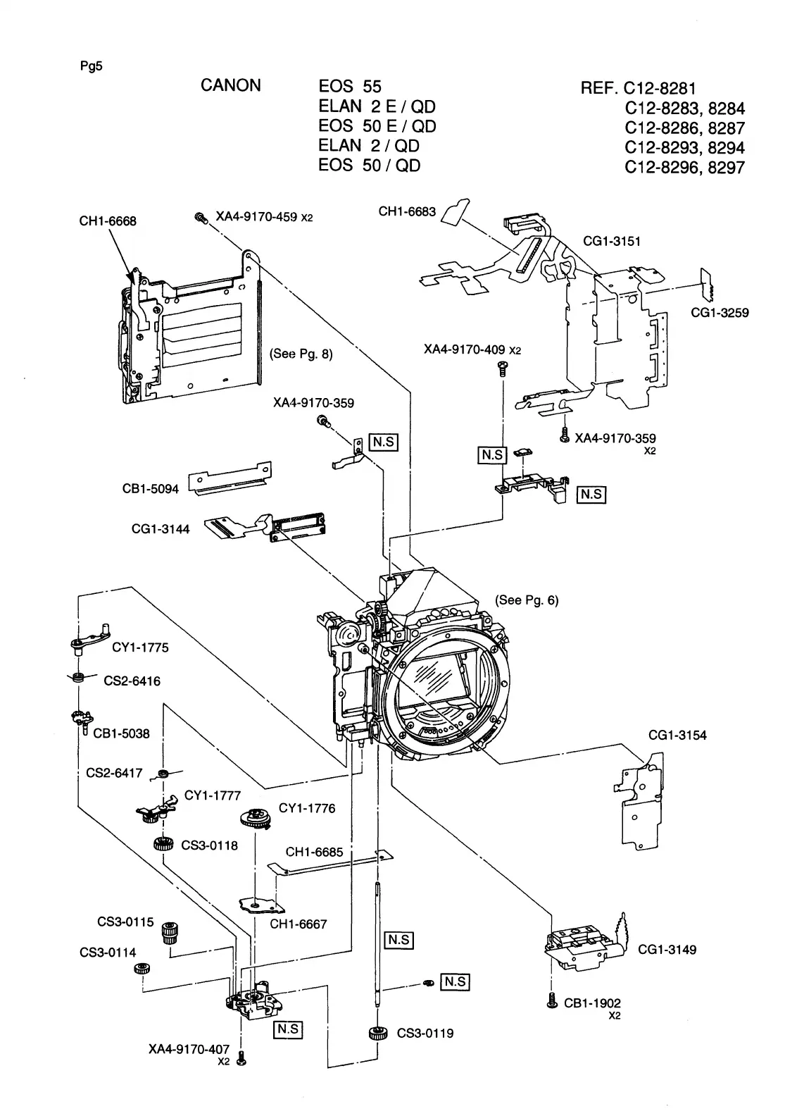
Pg5
CH1-6668
CANON
'
XM-9170-459
x2
"
."'--
EOS 55
ELAN
2
E/QD
EOS 50
E/QD
ELAN
2/QD
EOS
50/QD
CH1-6683 a
"'--.
(See Pg. 8)
XM-9170-409
X2
I
REF. C12-8281
C12-8283, 8284
C12-8286, 8287
C12-8293, 8294
C12-8296, 8297
1-3259
XM-9170-359
I
~
, l
'·"-[:! I N.S !
~
XA4-9170-359
,r::;:::D'-
N.S "r
x2
CB1-5094
~
l
___J
.
jN.SI
CG1-3144
~
lee-
-~
~
CY1-1775
~
CS2-6416
~I
CB1-5038
~
'"
"
0
""
;;::;:.Jr~~~•Y:f~~~
I -
, CS2-6417
..,e-
~
---
-~
_
~
CY1-1777
--
~
~
CY1-1776 ·
CS3-0118 I CH1-6685
._1
.
~
'~=-,
"-~-
dl
CS3-0115
I~!
~H1-6667
css-0114..,
1---~--~7111
__
!
__
.
___
'ID
!N.S!
~
~.
-·7
!
I~~
'L
CS3-0119
XA4-9170-407
~
_j
X2
~
-
CG1-3154
-~
i
i CB1-1902
X2
0
0
CG1-3149

Table of Contents

Related product manuals