EasyManua.ls Logo

Canon EOS 50 E - 2.2 MIRROR Box UNIT REMOVAL

Canon EOS 50 E
207 pages
Print Icon
To Next Page IconTo Next Page
To Next Page IconTo Next Page
To Previous Page IconTo Previous Page
To Previous Page IconTo Previous Page
Loading...
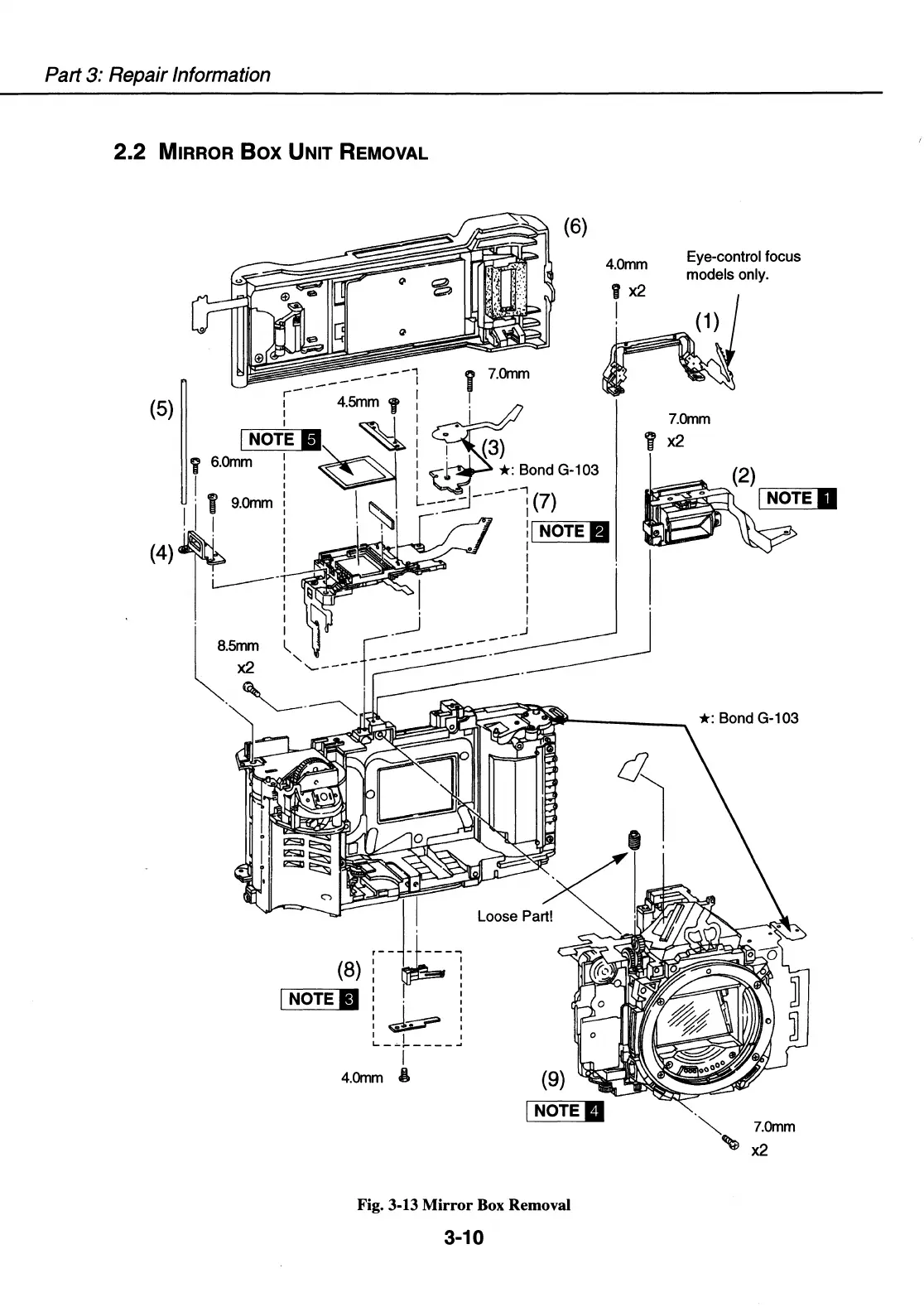
Part 3: Repair Information
2.2 MIRROR Box
UNIT
REMOVAL
(5)
(8)
:--
~-i
I~
N-o=-=T=E=--
-
:
~-
i
I I
I I
:..-~L----~
I
4.0mm
I
(6)
Loose
Part!
Fig. 3-13 Mirror Box Removal
3-10
4.0mm
I x2
I
Eye-control focus
models
only.
7.0mm
i x2
(2)
0
J
~
N-O=-cTE=--
-
·""'-
7.0mm
~
x2

Table of Contents

Related product manuals