EasyManua.ls Logo

Canon LASER CLASS 710 - Page 359

Canon LASER CLASS 710
436 pages
Print Icon
To Next Page IconTo Next Page
To Next Page IconTo Next Page
To Previous Page IconTo Previous Page
To Previous Page IconTo Previous Page
Loading...
2-45
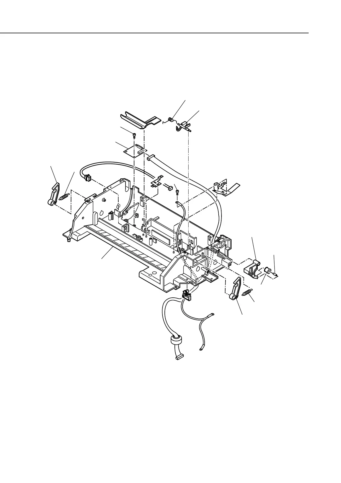
LASER CLASS 730i/720i/710 2.PARTS LAYOUT & PARTS LIST
7
10
6
2
8
4
2
8
9
5
1
10
3
*
*
=
Lubrication
See page 4-5
See page 5-4
(FIGURE 23-a)
FIGURE 23
LOWER READER FRAME ASS’Y 2

Table of Contents

Related product manuals