EasyManua.ls Logo

Case CX235C SR - Electro-magnetic Interference (EMC)

Case CX235C SR
292 pages
Print Icon
To Next Page IconTo Next Page
To Next Page IconTo Next Page
To Previous Page IconTo Previous Page
To Previous Page IconTo Previous Page
Loading...
1-GENERALINFORMATION
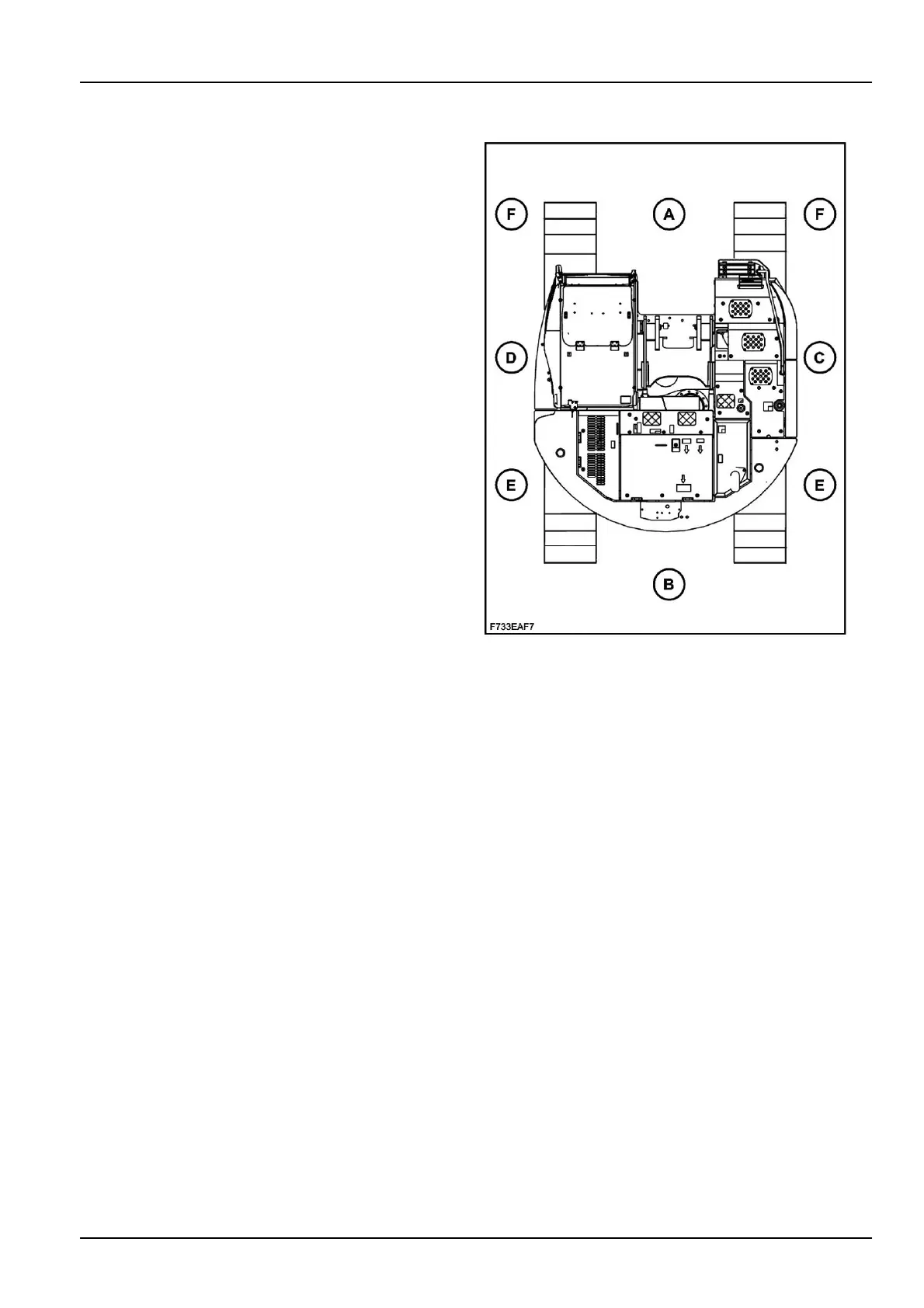
Left,right,frontandrearofthemachine
Theterms"Right-hand","Left-hand","Front"and"Rear"
areusedinthismanualtoindicatethesidesastheyare
seenfromtheoperator'sseatwhenthecabisoverthe
idlerwheels.
ATTENTION:Theillustrationoppositeshowsthemachine
innormaltravelposition.Innormaltravelposition,thecab
isovertheidlerwheels.Thetravelreductiongearsareat
therearoftheupperstructure.
(A)Front
(B)Rear
(C)Right-handside
(D)Left-handside
(E)Travelmotors
(F)Idlerwheels
F733EAF71
Electro-magneticinterference(EMC)
Interferencemayariseasaresultofaddonequipmentwhichmaynotnecessarilymeettherequiredstandards.As
suchinterferencecanresultinseriousmalfunctionoftheunitand/orcreateunsafesituations,youmustobservethe
following:
Themaximumpowerofemissionequipment(radio,telephones,etc.)mustnotexceedthelimitsimposedbythe
nationalauthoritiesofthecountrywhereyouusethemachine.
Theelectromagneticeldgeneratedbytheaddonsystemshouldnotexceed24V/matanytimeandatany
locationintheproximityofelectroniccomponents.
Theaddonequipmentmustnotinterferewiththefunctioningoftheonboardelectronics.
FailuretocomplywiththeseruleswillrendertheCASECONSTRUCTIONwarrantynullandvoid.
1-9

Table of Contents

Related product manuals