EasyManua.ls Logo

Case CX235C SR - Page 27

Case CX235C SR
292 pages
Print Icon
To Next Page IconTo Next Page
To Next Page IconTo Next Page
To Previous Page IconTo Previous Page
To Previous Page IconTo Previous Page
Loading...
2-SAFETYINFORMATION
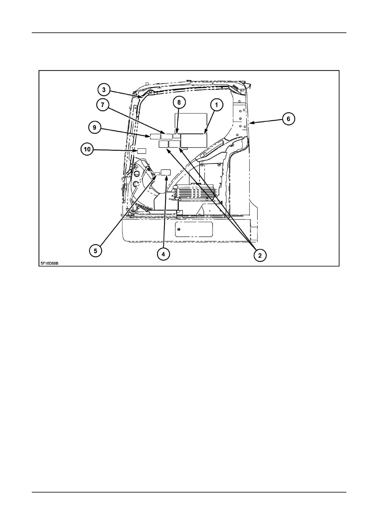
Positionofdecals
Whenreplacingadecal,makesureitislocatedasshownbelow.
5F16D68B2
Seechapter“Illustrationofdecals”forthefunctionsofdecals.
2-9

Table of Contents

Related product manuals