EasyManua.ls Logo

Ceia THS/GMS21 - THS;FBB and THS;MBB with bin Full and Low Pressure Sensors

Ceia THS/GMS21
162 pages
Print Icon
To Next Page IconTo Next Page
To Next Page IconTo Next Page
To Previous Page IconTo Previous Page
To Previous Page IconTo Previous Page
Loading...
3
FI002K0018v1100UK – THS/21 Instruction manual for installation, use and maintenance
INSTALLATION
88 ORIGINAL INSTRUCTIONS
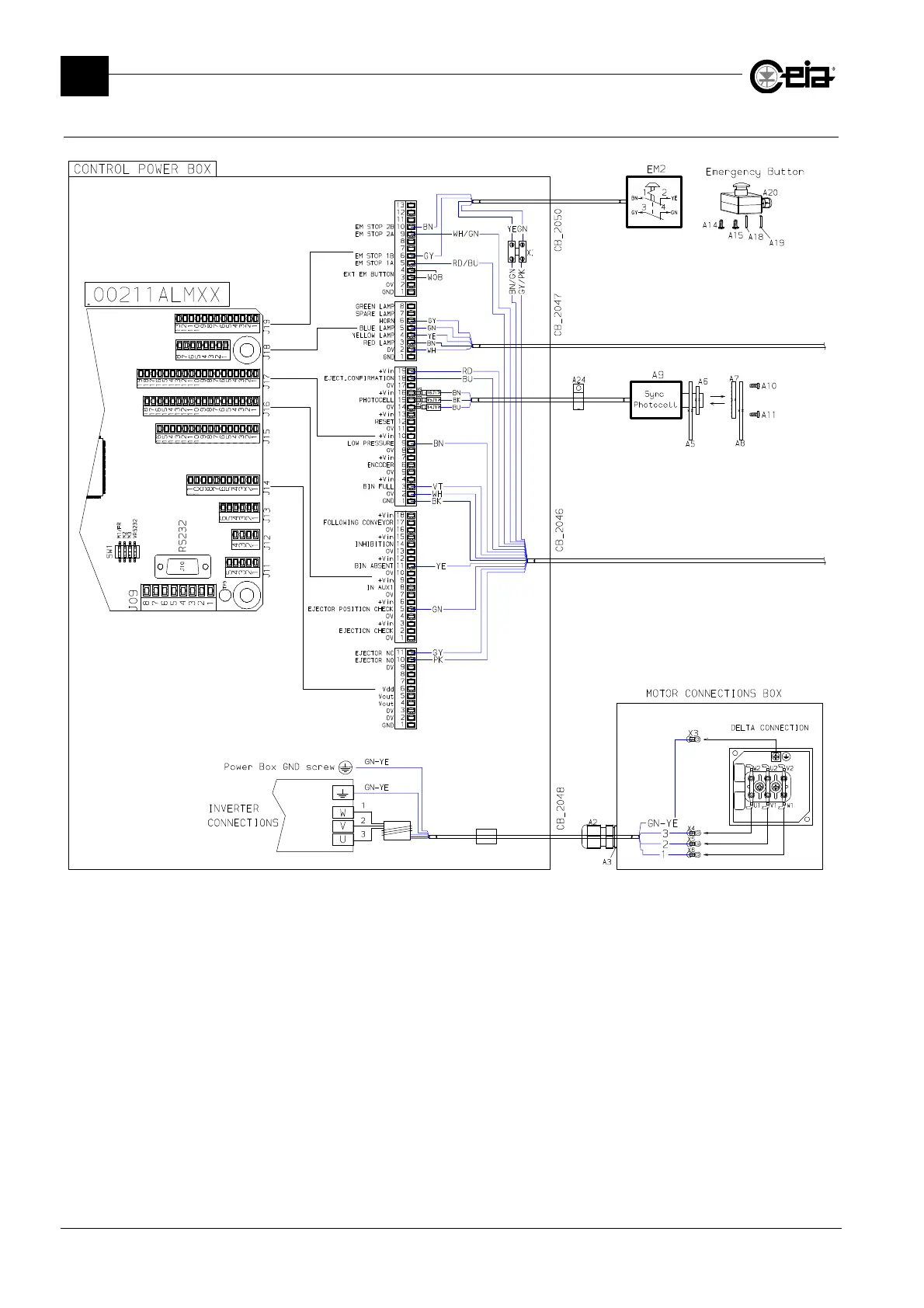
3.6.5.2 THS/FBB and THS/MBB with Bin full and Low pressure sensors

Table of Contents

Related product manuals