EasyManua.ls Logo

Cisco ASR 9010 - Page 54

Cisco ASR 9010
284 pages
Print Icon
To Next Page IconTo Next Page
To Next Page IconTo Next Page
To Previous Page IconTo Previous Page
To Previous Page IconTo Previous Page
Loading...
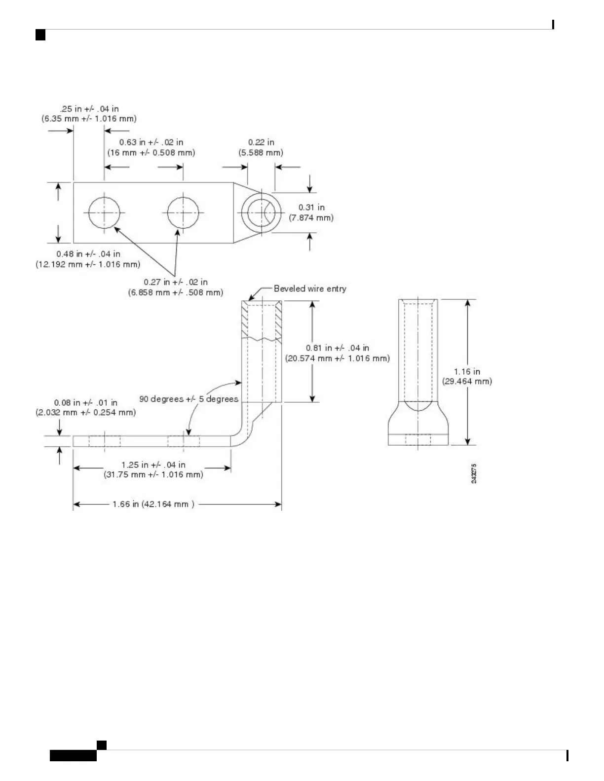
Figure 50: Typical DC Power Cable Lug
Figure 51: Typical Source DC Power Cabling Scheme for a Single DC Power Module—Version 1 Power
System, on page 41 shows typical DC power source cable connections for a version 1 single DC power
module, in this case, a module installed in slot M2 of the power tray.
Figure 52: Typical Source DC Power Cabling Scheme for a Single DC Power Module—Version 2 Power
System, on page 42 shows typical DC power source cable connections for a version 2 single DC power
module, in this case, a module installed in slot M3 of the power tray.
Figure 53: Typical Plastic Safety Cover over the Power Tray Connection Terminals—Version 2 and
Version 3 Power System, on page 42 shows the plastic safety cover for the version 2 and version 3 DC
power tray connection terminals.
Figure 54: Typical Source DC Power Cabling Scheme for a Single DC Power Module—Version 3 Power
System, on page 43 shows typical DC power source cable connections for a version 3 single DC power
module, in this case, a module installed in slot M3 of the power tray.
Cisco ASR 9000 Series Aggregation Services Router Hardware Installation Guide
40
Preparing for Installation
DC-Powered Router

Table of Contents

Other manuals for Cisco ASR 9010

Related product manuals