EasyManua.ls Logo

Clarke Focus - Page 93

Clarke Focus
96 pages
Print Icon
To Next Page IconTo Next Page
To Next Page IconTo Next Page
To Previous Page IconTo Previous Page
To Previous Page IconTo Previous Page
Loading...
Clarke
®
Operator's Manual - Focus Rider Scrubber Page -93-
Clarke
®
FOCUS Rider Scrubber
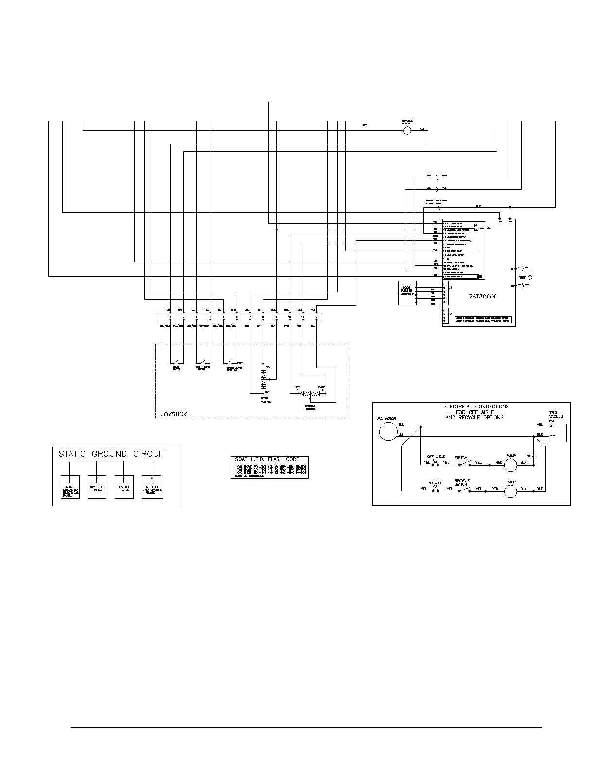
Electrical Schematic (pages 56-57) 9/04
Rider Electrical Options

Table of Contents

Related product manuals