EasyManua.ls Logo

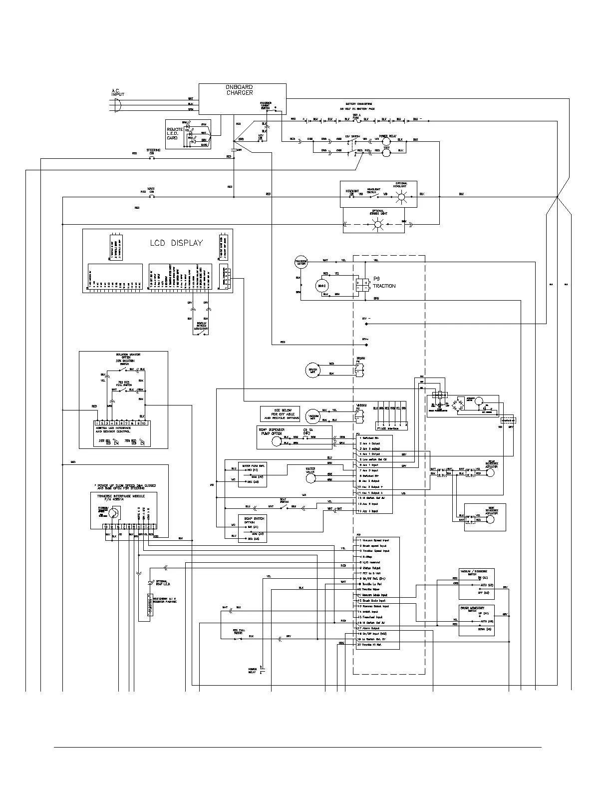
Clarke Focus - Electrical Schematic; Rider Electrical Options Schematic

Clarke Focus
96 pages
Print Icon
To Next Page IconTo Next Page
To Next Page IconTo Next Page
To Previous Page IconTo Previous Page
To Previous Page IconTo Previous Page
Loading...
Page -92- Clarke
®
Operator's Manual -Focus Rider Scrubber
Clarke
®
FOCUS Rider Scrubber
Electrical Schematic (pages 56-57) 9/04
Rider Electrical Options

Table of Contents

Related product manuals