EasyManua.ls Logo

Clevo NB50TK1 - USB Type-A

Clevo NB50TK1
112 pages
Print Icon
To Next Page IconTo Next Page
To Next Page IconTo Next Page
To Previous Page IconTo Previous Page
To Previous Page IconTo Previous Page
Loading...
Schematic Diagrams
USB Type-A B - 35
B.Schematic Diagrams
USB Type-A
Sheet 34 of 57
USB Type-A
5
5
4
4
3
3
2
2
1
1
D D
C C
B B
A A
80 mil80 mil
ᘍܫ᎞߈DPOO/
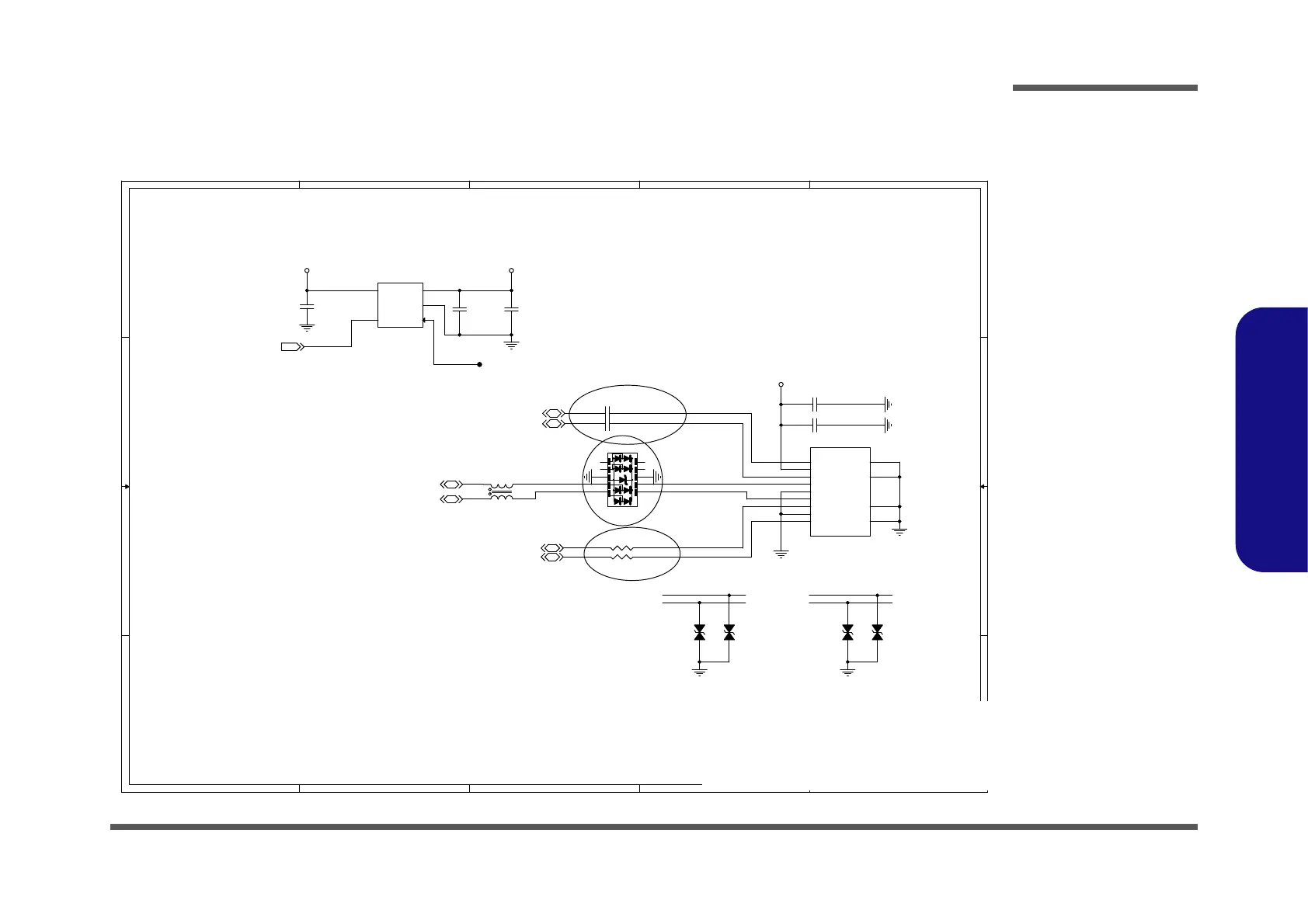
USB 3.1 PORT(PORT1)
TYPE-A
0905 swap
0905 modify
0905 modify
5V USBVCC_1
GND
GND
GND
GND
USBVCC_1
DD_ON#35,36,41
USB_PP125
USB_PN125
USB3_TXN128
USB3_TXP128
USB3_RXP128
USB3_RXN128
Title
Size Document Number Rev
Date: Sheet
of
6-71-NB500-D02
D02
[34] USB3.1 TYPE-A
A4
34 57Friday, December 29, 2017
ᙔ!Ϻ!ႝ!တ!!DMFWP!DP/
NB50TJ1-D02
Title
Size Document Number Rev
Date: Sheet
of
6-71-NB500-D02
D02
[34] USB3.1 TYPE-A
A4
34 57Friday, December 29, 2017
ᙔ!Ϻ!ႝ!တ!!DMFWP!DP/
NB50TJ1-D02
Title
Size Document Number Rev
Date: Sheet
of
6-71-NB500-D02
D02
[34] USB3.1 TYPE-A
A4
34 57Friday, December 29, 2017
ᙔ!Ϻ!ႝ!တ!!DMFWP!DP/
NB50TJ1-D02
C664
10u_6.3V_X5R_06
C317 0.22u_10V_X5R_04
Standard-A
J_USB1
C107KX-909H9-L
PN = 6-21-B4A50-009
C107KX-909H9-L
VBUS
1
D-
2
D+
3
GND_D
7
SSRX-
5
SSRX+
6
GND
4
SSTX-
8
SSTX+
9
SHIELD
GND1
SHIELD
GND2
SHIELD
GND3
SHIELD
GND4
C308 0.22u_10V_X5R_04
C670
0.1u_16V_Y5V_04
L5
*WCM2012F2S-161T03-short
1
4
2
3
C671
0.1u_16V_Y5V_04
D15
ESDPSA0402V12
12
D16
TVUDF1004AD0
5
1
2
3
4
10
9
8
7
6
C669 22u_6.3V_X5R_08
C666 22u_6.3V_X5R_08
D14
ESDPSA0402V12
12
D18
ESDPSA0402V12
12
T119
U41
uP7549UMA5-20
OC#
3
VIN
5
EN#
4
VOUT
1
GND
2
D17
ESDPSA0402V12
12
R229 0_04
R238 0_04
USB3_RXP1JUSB3_TXP1J
USB3_RXN1JUSB3_TXN1J
USB3_RXP1J
USB3_RXN1J
USB_PN1_RJ
OC#_1
USB3_TXN1J
USB_PP1_RJ
USB_PN1_R
USB_PP1_R
USB3_TXP1J

Table of Contents

Related product manuals