EasyManua.ls Logo

ComAp InteliLite MRS16 - Page 603

ComAp InteliLite MRS16
632 pages
Print Icon
To Next Page IconTo Next Page
To Next Page IconTo Next Page
To Previous Page IconTo Previous Page
To Previous Page IconTo Previous Page
Loading...
InteliLite Global Guide
603
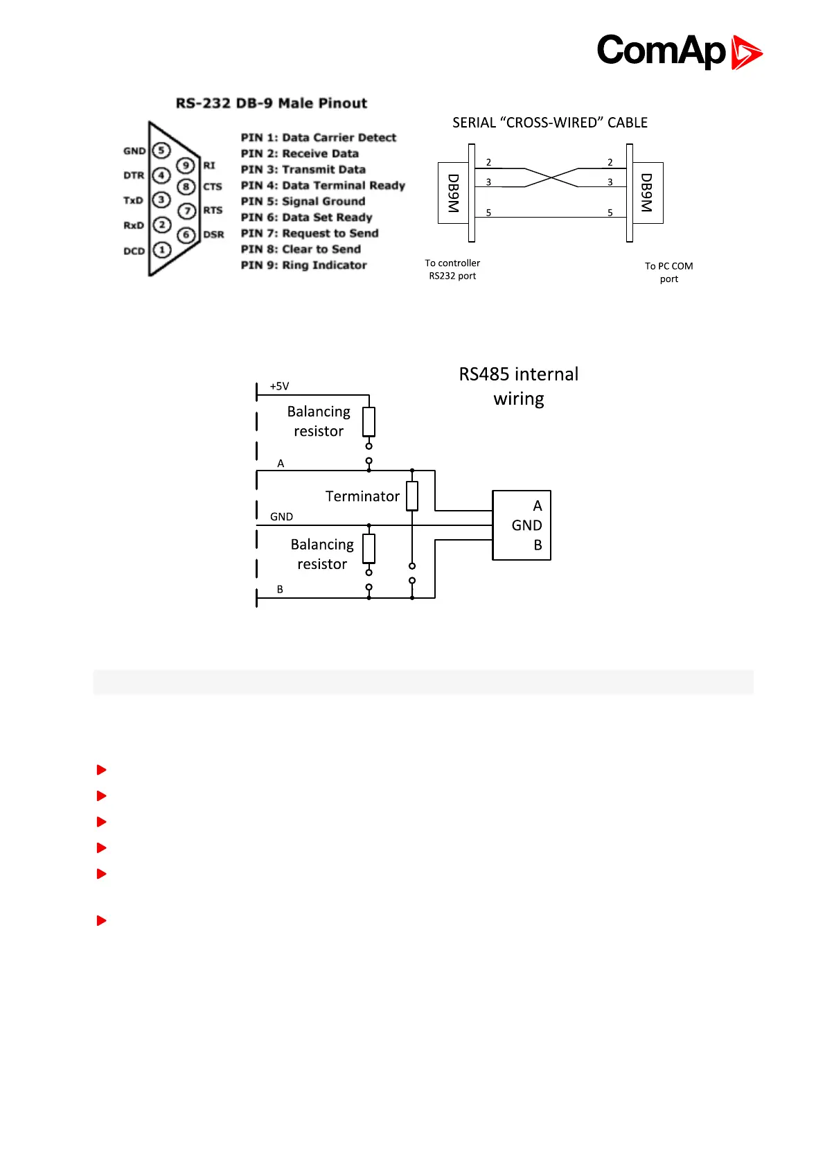
Image 9.15 Pinout of RS-232 line
Image 9.16 Pinout of RS-485 line
Note: Balancing resistors shall be both closed at only one device in whole RS485 network.
Maximal distance of line is 10m for RS232 line and 1200m for RS485 line.
Firmware upgrade
Download the newest FWof module from ComAp website (in form of PSI file or installation package)
Instal package to computer or open PSI to instal it into LiteEdit2015
Plug the module into the controller and power the controller on.
Open a connection with controller via LiteEdit2015
Go the menu Tools -> Firmware upgrade, select the Plug-in modules tab and select the appropriate firmware
you want to program into the module (in LiteEdit2015).
Press the OK button to start upgrade of firmware.
The firmware update process may be performed via any kind of connection including connection via the same
module in which the firmware is to be updated. The connection is reestablished again automatically when the
update process is finished.
CM-Ethernet
CM-Ethernet is a plug-in card with Ethernet 10/100 Mbit interface in RJ45 connector. It provides an interface for
connecting a PC with through ethernet/internet network, for sending active e-mails and for integration of the

Table of Contents

Other manuals for ComAp InteliLite MRS16

Related product manuals