EasyManua.ls Logo

ComNav 1420 - Wiring the Processor

ComNav 1420
76 pages
Print Icon
To Next Page IconTo Next Page
To Next Page IconTo Next Page
To Previous Page IconTo Previous Page
To Previous Page IconTo Previous Page
Loading...
ComNav Marine 1420 Autopilot System
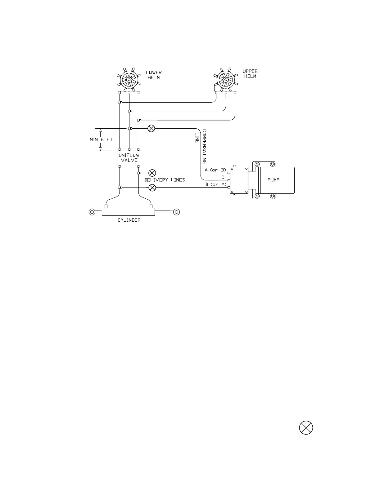
Hydraulic Connections for Three Line Steering Systems
3 Line Steering System Connections
Delivery Lines:
In the above diagram, Ports A and B are the input/output ports of the pump, and must
be connected to the steering lines between the steering cylinder and the Uniflow valve.
The simplest method of doing this is to install a tee in each of the cylinder ports of the
Uniflow valve itself, and connect to these tees. It does not matter which pump port is
connected to which steering line.
Compensating Line:
Port C is the compensating or bleed line, and must be connected to the steering
system’s reservoir. This connection can be made at a helm pump, the remote reservoir
(if there is one), the return line connecting two helm pumps, or the return line between a
pump and the Uniflow valve. If the connection is being made directly to a helm pump,
ensure that the bleed line is connected to the LOWER helm’s bleed port.
The connection MUST be at least 6 feet (1.83 m) from the Uniflow valve as shown
above. If the connection is too close to the Uniflow valve, the manual steering system
may not work well.
The compensating line MUST have a gradual rise from the pump to the connection to
the steering system. This allows air to rise out of the pump, ensuring a constant supply
of oil to the pump.
INSTALLATION OF SHUT-OFF VALVES IS RECOMMENDED (shown with )
Document PN 29010012 V1.3
29

Table of Contents

Related product manuals