EasyManua.ls Logo

Comprag A55 - Allgemeine Beschreibung; Ablaufdiagramm und Hauptkomponenten

Default Icon
88 pages
Print Icon
To Next Page IconTo Next Page
To Next Page IconTo Next Page
To Previous Page IconTo Previous Page
To Previous Page IconTo Previous Page
Loading...
39
COMPRAG Schraubenkompressoren A-Serie
2.2 Allgemeine Beschreibung
Die Schraubenkompressoren der A Serie sind für die kontinuierliche und efziente Druck-
lufterzeugung konzipiert.
Die A-Serie sind ölgefüllte Schraubenkompressoren mit Riemenantrieb und elektronischer
Steuerung. Die stabile Konstruktion ist umschlossen von einem Geräusch isolierenden Gehäu-
se, ausgestattet mit dem Kontrollpanel e-Log (LCD Display), Start/Stop-Schalter und einem Not-
Aus-Taster. Für die Systemüberwachung werden Temperatur und Druckrelais eingesetzt.
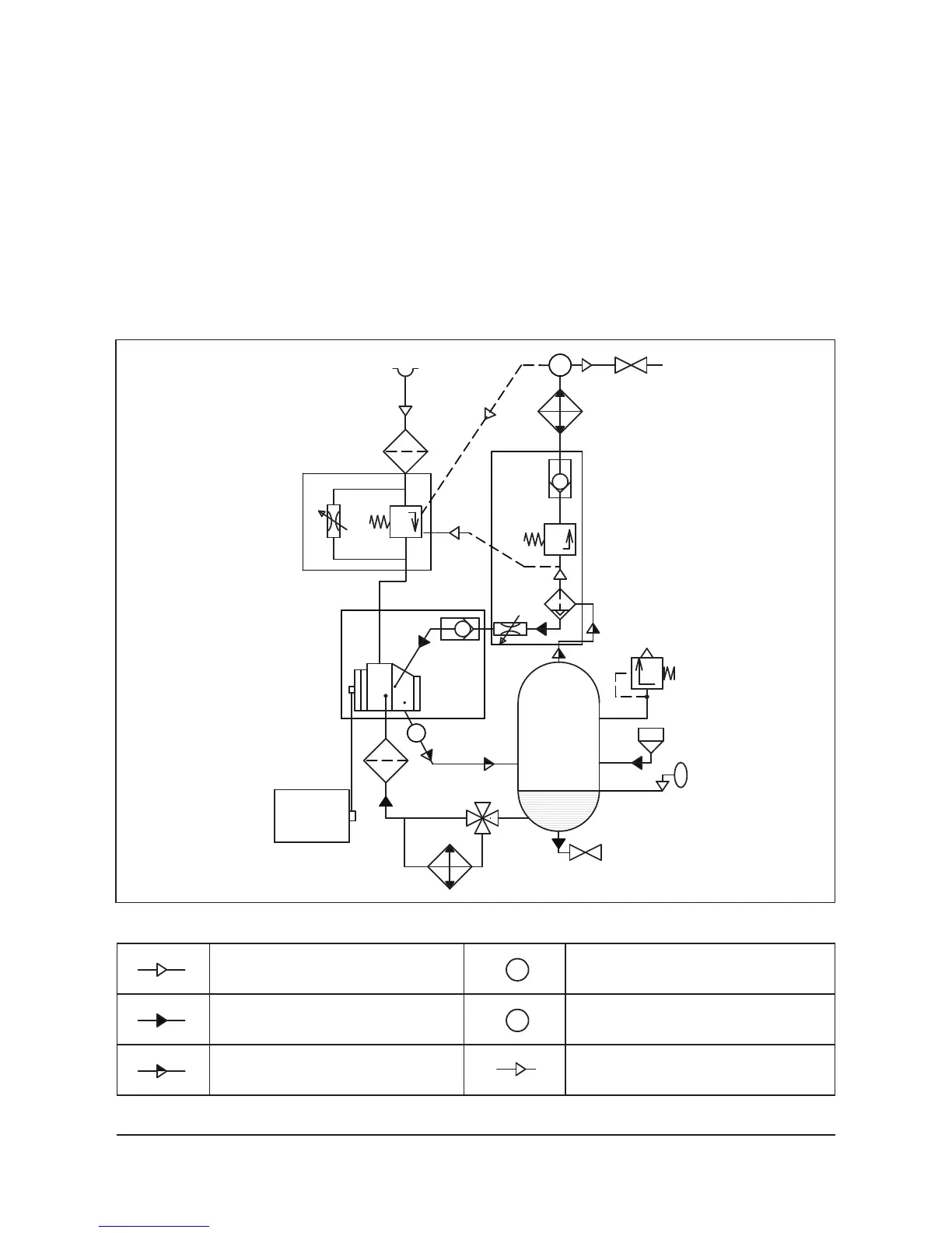
2.3 Ablaufdiagramm und Hauptkomponenten
Bild 2.3 Ablaufdiagramm A30–A55
Т
Р
Luftuß
Т
Р
Temperaturfühler
Т
Р
Öluß
Т
Р
Drucksensor
Т
Р
Luft/Öl Gemisch
Т
Р
Pneumatische Steuerleitung
М
Air flow
Air/Oil mix flow
Oil flow
Т
Temperature sensor
Р
Pressure sensor
Pneumatic control line
Р
Т
16
14
15
17
19
18
6
2
1
3
10
9
4
5
8
7
11
12
13
20

Table of Contents

Related product manuals