EasyManua.ls Logo

Conair W600 - Page 17

Conair W600
121 pages
Print Icon
To Next Page IconTo Next Page
To Next Page IconTo Next Page
To Previous Page IconTo Previous Page
To Previous Page IconTo Previous Page
Loading...
2
Description
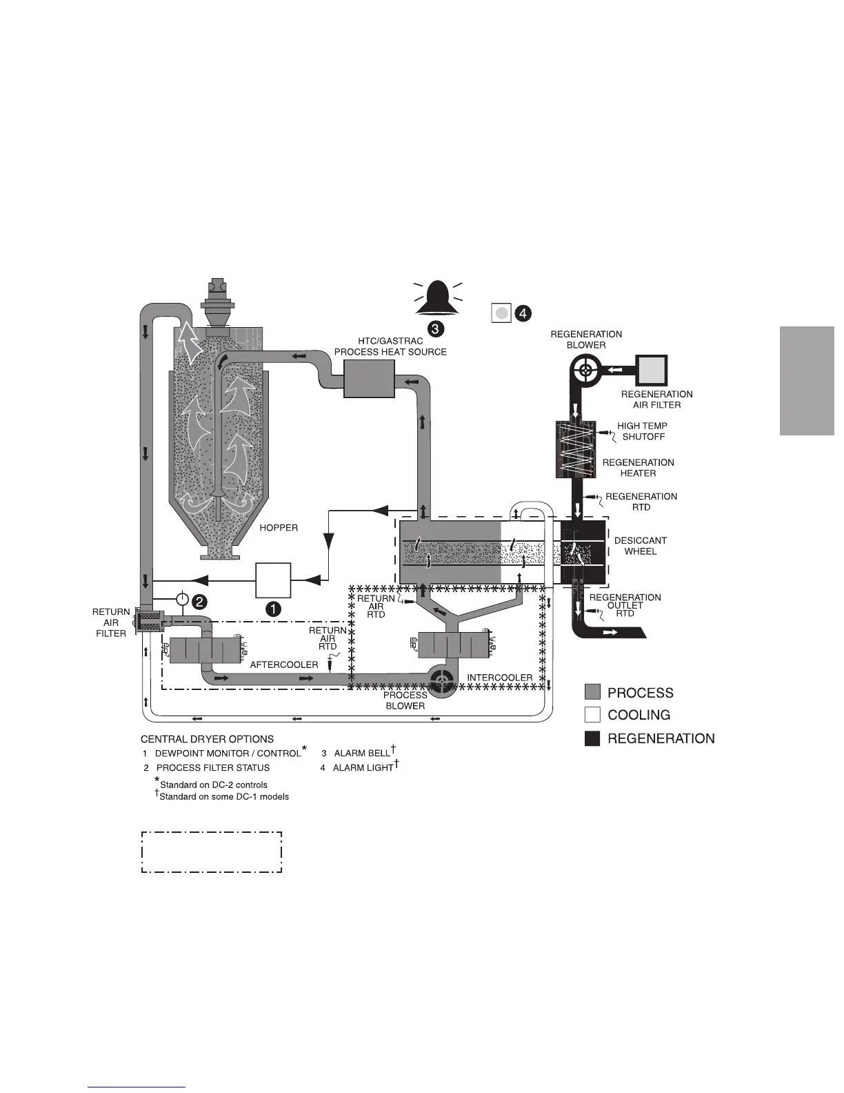
How It Works (continued)
(W600 - 1600 and 3200)
Description l 2-5
W-series 1600-5000
intercooler location only.
W-series 600-1000
aftercooler location.
NOTE: Earlier W1600-5000 dryers will have their intercoolers in the W600-
1000 location.
NOTE: Carousel Plus W Series 600-1000 Dryers use an aftercooler located
before the the process blower. Carousel Plus W Series 1600-5000 dryers
use an intercooler located after the process blower.
**********************
**********************
******
******

Table of Contents