EasyManua.ls Logo

ConMed ExcaliburPLUS PC - Page 77

ConMed ExcaliburPLUS PC
98 pages
Print Icon
To Next Page IconTo Next Page
To Next Page IconTo Next Page
To Previous Page IconTo Previous Page
To Previous Page IconTo Previous Page
Loading...
K
+:
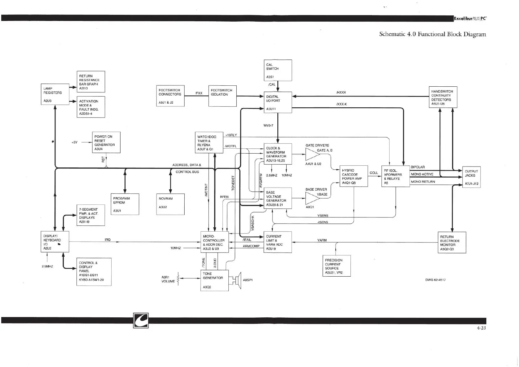
Schematic
4.0
Functional
Block
Diagram
CAL
SWITCH
RETURN
Asst
RESISTANCE
BAR
GRAPH
ICAL
LAMP
pe
1210
FOOTSWITCH
FOOTSWITCH
OX
HANDSWITCH
REGISTERS
CONNECTORS
|
EX
|
ISOLATION
SOA
CONTINUITY
VO
PORT
DETECTORS
AQUI
Lul
ACTIVATION
4931832
2000
ASUT-U6
MODE
&
FAULT
INDS.
(
Asun
A2DS1-4
wvo7
POWER
ON
waArcHpoG
SRLY
2
ву
—=]
RESET
TIMER
&
GENERATOR
RLYENA
ANDTFL
GATE
DRIVERS
A3U4
ASU7
&
Q1
T
CLOCK&
WAVEFORM
GENERATOR
σι
A4U1
8
U2
ADDRESS,
DATA
&
)
|
BIPOLAR
>
HYBRID
RF
ISOL.
OUTPUT
CONTROL
BUS
İz
25442
10MHZ
CASCODE
COL)
XFORMERS
|
MONO
ACTIVE
JACKS
E E
POWER
AMP
&
RELAYS
E
È
©
A401-08
AS
MONO
RETURN
AT7J1-J12
Е 8
BASE
DRIVER
8
ВАЗЕ
VOLTAGE
PROGRAM
NOVRAM
RE
GENERATOR
EPROM
save
A3U20
8.21
<a
pl
mma
nor.
LA
DISPLAYS
42179
DISPLAY/
MCRO-
CURRENT
RETURN
KEYBOARD
ia
CONTROLLER
7FAL
LIMIT
&
VARM
ELECTRODE
o
&
ADDR
DEC.
Mp |
VARM
ADC
A2U2
10MHz
A3U3&U9
ARCO!
A3U19
A5Q2.Q3
CONTROL
&
6|
à
CURRENT
25MHZ
>|
DISPLAY
SOURCE
PANEL
TONE
AGUZI,
VR2
AIDSI-DS11
ASRI
-
|
GENERATOR
KYBD
A1SWI-20
VOLUME
ABSP1
DWG
62-4517
A302
4-23

Related product manuals