EasyManua.ls Logo

Cornelius CCM0330 - Page 123

Cornelius CCM0330
129 pages
Print Icon
To Next Page IconTo Next Page
To Next Page IconTo Next Page
To Previous Page IconTo Previous Page
To Previous Page IconTo Previous Page
Loading...
DiagramWiring
Page G44
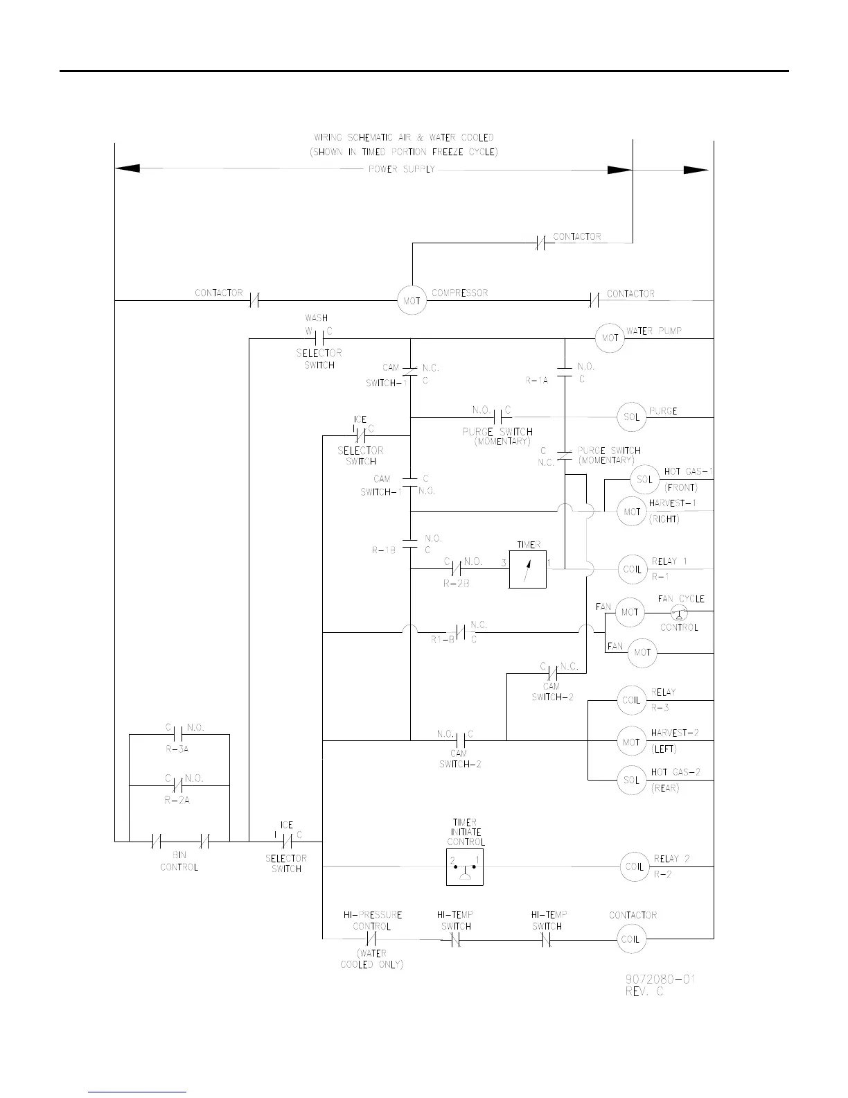
CCM1448 A/W 3 1, CCM1848 W 3 1 and CCM2148 3 W 1 Wiring Schematic (Jan 2008)

Table of Contents

Related product manuals