EasyManua.ls Logo

Cornelius CCM0330 - Page 122

Cornelius CCM0330
129 pages
Print Icon
To Next Page IconTo Next Page
To Next Page IconTo Next Page
To Previous Page IconTo Previous Page
To Previous Page IconTo Previous Page
Loading...
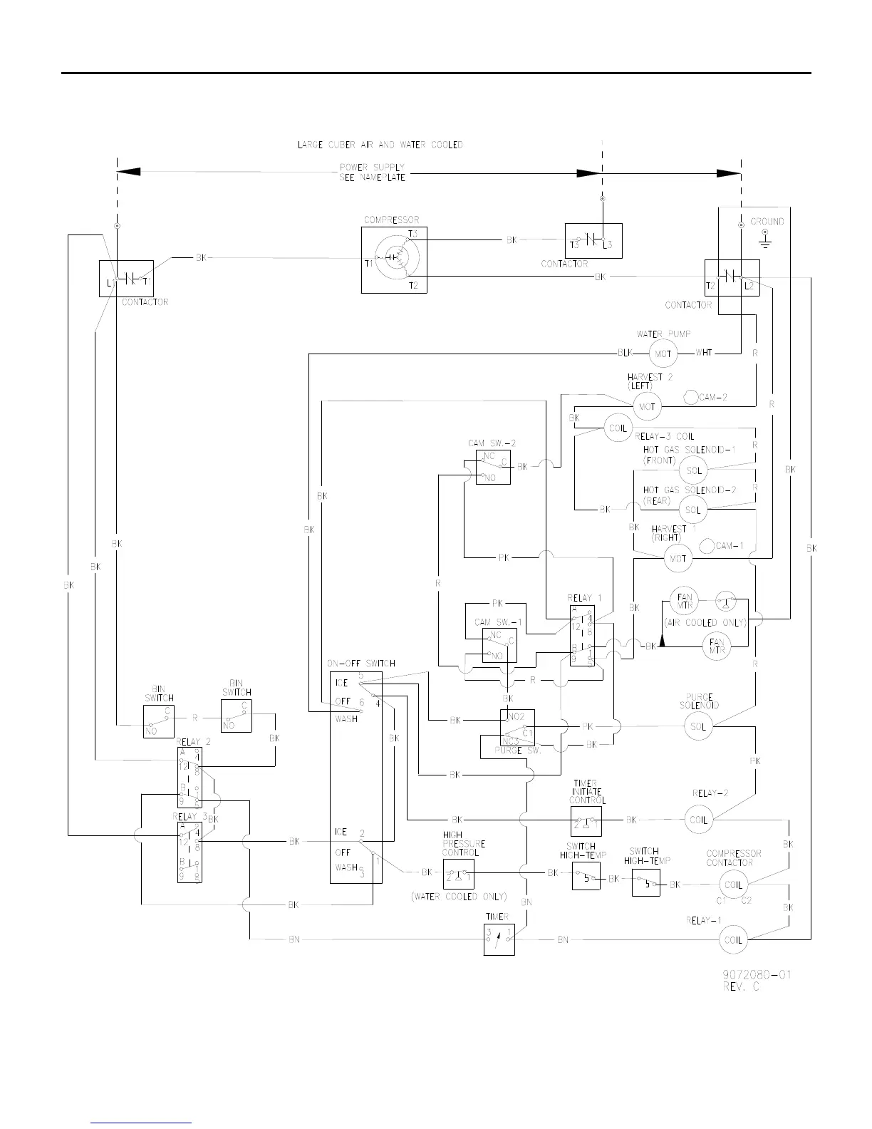
DiagramWiring
CCM1448 A/W 3 1, CCM1848 W 3 1 and CCM2148 3 W 1 Wiring Diagram (Jan 2008)
Page G43

Table of Contents

Related product manuals