EasyManua.ls Logo

Cumberland Evolution 4000 - Connecting Powertrak Natural Auxiliary Switches NV#1 & NV#2 to Evolution 4000

Default Icon
86 pages
Print Icon
To Next Page IconTo Next Page
To Next Page IconTo Next Page
To Previous Page IconTo Previous Page
To Previous Page IconTo Previous Page
Loading...
Part No. 4801-5338 Rev 2-2015 Evolution 4000 68 of 86
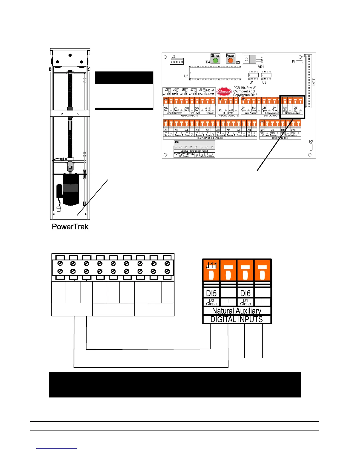
9.15 Connecting PowerTrak Natural Auxiliary Switches NV#1 & NV#2 to Evolution 4000
NOTE: If curtain is setup to pull curtain up to open, then reverse wires
connected to 'Upper' and 'Lower' terminals.
Inset B
WARNING!
LOW VOLTAGE!
Keep Separate From
High Voltage Wires!
PCB 194
Inset A
Inset A
Natural Auxiliary
Input
PowerTrak
AUX
SWITCH
CONTROLLER
AC IN
HOT
NEUT.
LOWER
GND.
HOT
OUT
CLOSE
IN
OPEN
IN
COM
UPPER
Inset B
NOTE: Natural
auxiliary NV#1
connects the
same as NV#2.
U1 Close
COM
U2 Close
COM

Table of Contents

Related product manuals