EasyManua.ls Logo

CYBEX FT-360S - Page 81

CYBEX FT-360S
86 pages
Print Icon
To Next Page IconTo Next Page
To Next Page IconTo Next Page
To Previous Page IconTo Previous Page
To Previous Page IconTo Previous Page
Loading...
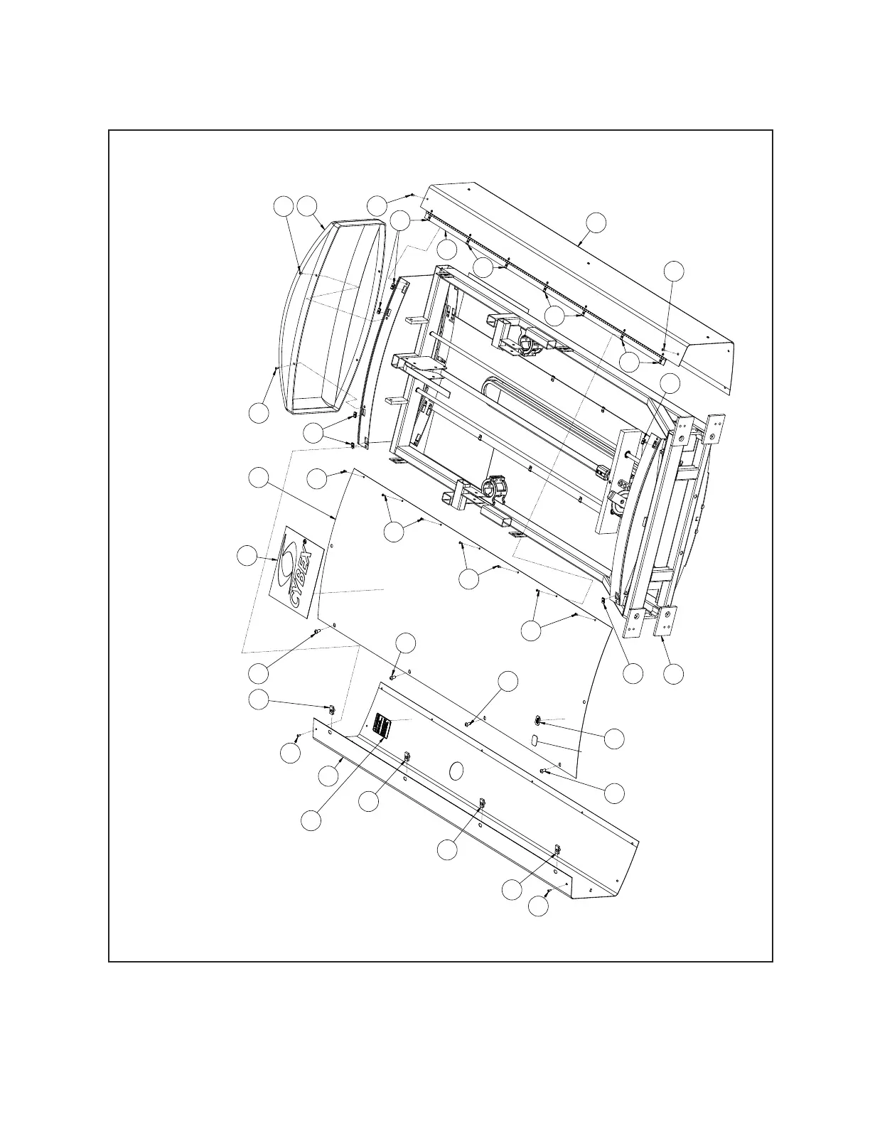
SHROUD ASSEMBLY
REAR VIEW DETAIL
Service
Page 8-7
69
62
84
69
69
84
29
62
69
84
62
84
62
51
68
37
84
84
68
84
6
33
84
19
84
34
68
68
68
28
84
68
68
108
Serial Number
Decal
Cybex FT-360S Functional Trainer Owner’s Manual

Related product manuals