EasyManua.ls Logo

Daher TBM 940 - Page 540

Default Icon
946 pages
Print Icon
To Next Page IconTo Next Page
To Next Page IconTo Next Page
To Previous Page IconTo Previous Page
To Previous Page IconTo Previous Page
Loading...
Pilot's Operating Handbook
Section 7
Description
Edition 0 - March 05, 2019
Rev. 0
Page 7.4.3
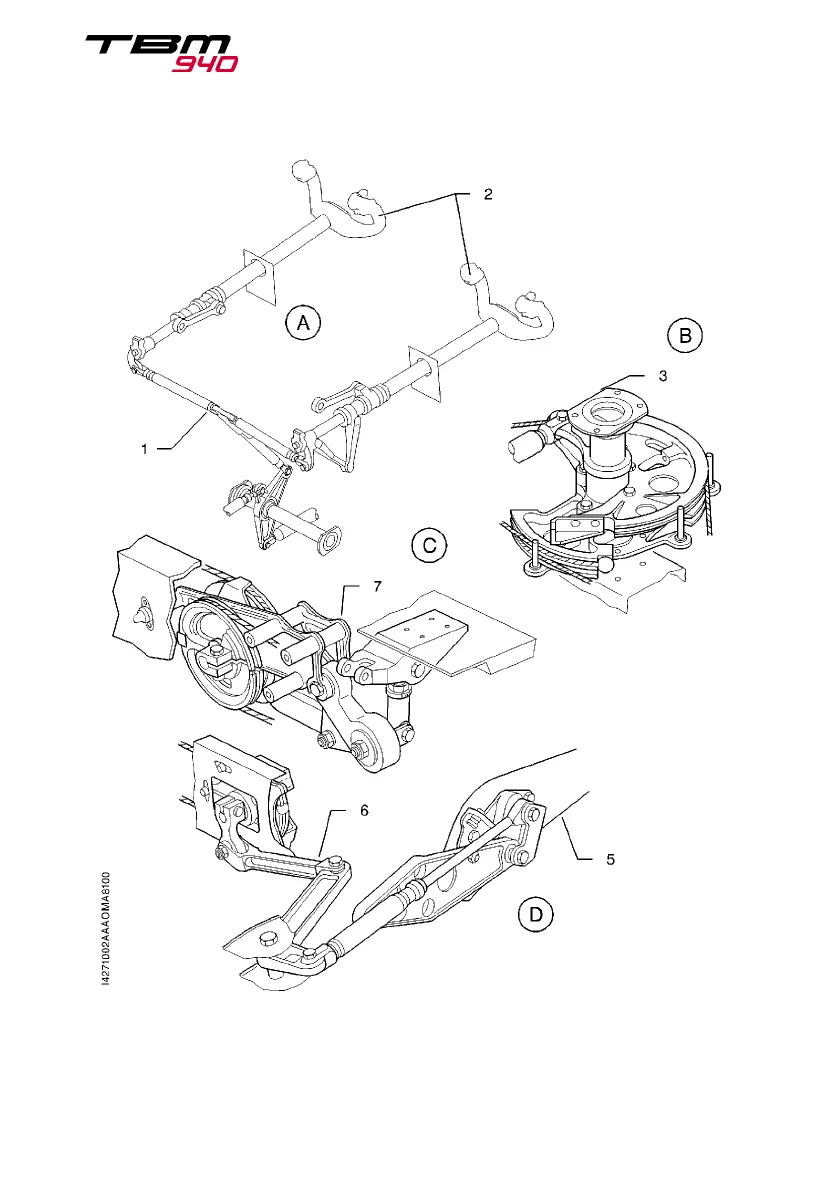
Figure 7.4.1 (2/2) - Roll
PIM - DO NOT USE FOR FLIGHT OPERATIONS

Table of Contents

Related product manuals