EasyManua.ls Logo

Daikin brp069a42 - Itm Integrator; Main Specifications

Daikin brp069a42
161 pages
Print Icon
To Next Page IconTo Next Page
To Next Page IconTo Next Page
To Previous Page IconTo Previous Page
To Previous Page IconTo Previous Page
Loading...
81
• Control systems
• intelligent Touch Manager • ED721208
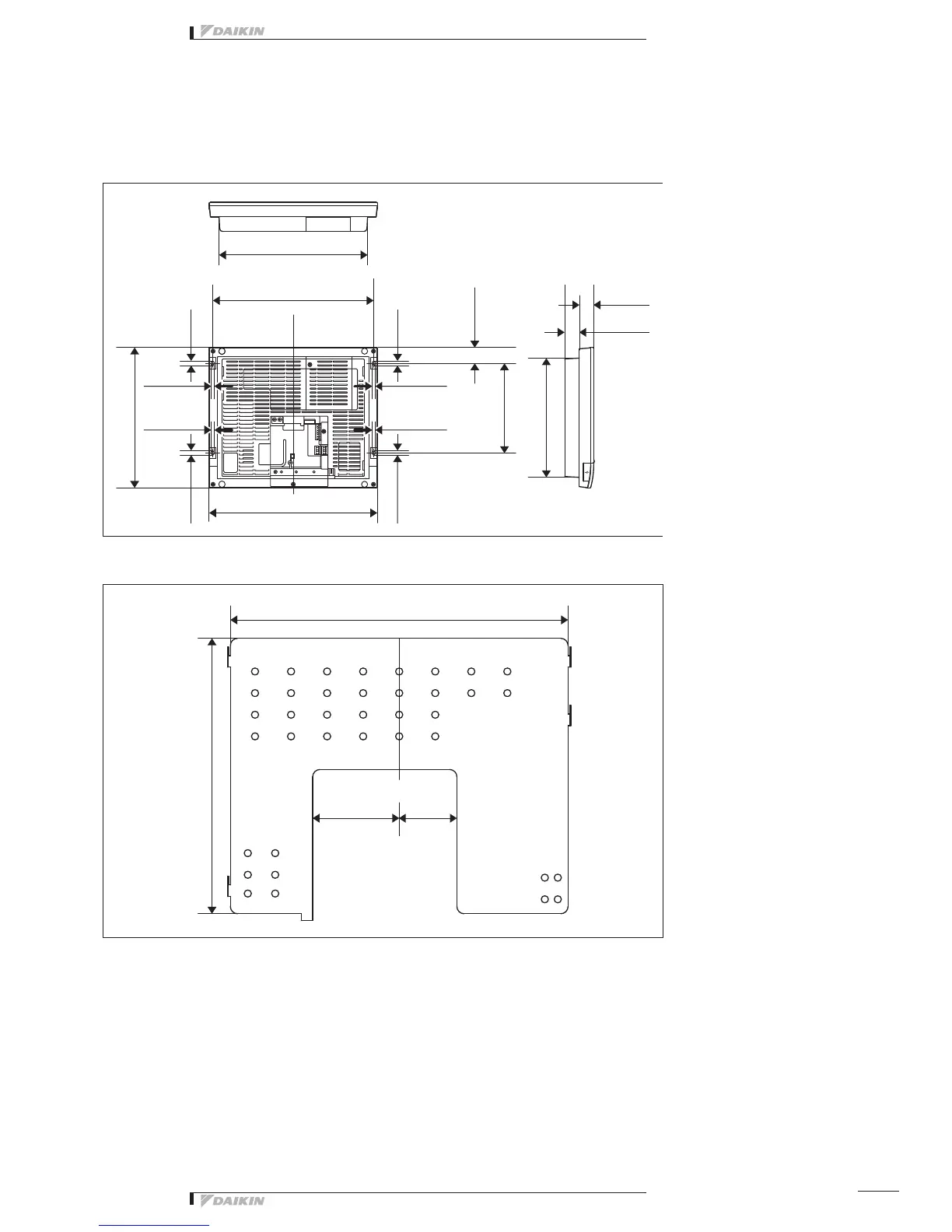
• iTM integrator body
243mm
151.5mm
207mm
290mm
4.5mm
4.5mm
4.5mm
4.5mm
25mm
25mm
8mm8mm
8mm8mm
256.6mm
272mm
29.5mm
Wall mounting metal plate
191mm
234.2mm
60mm
40mm
3.3. iTM Integrator
3.3.1. Main specifications
Thickness 0.8mm

Table of Contents

Related product manuals