EasyManua.ls Logo

Daikin FCQ35B7V1 - Ffq25, 35, 50, 60 B

Daikin FCQ35B7V1
390 pages
Print Icon
To Next Page IconTo Next Page
To Next Page IconTo Next Page
To Previous Page IconTo Previous Page
To Previous Page IconTo Previous Page
Loading...
Disassembly and Maintenance ESIE05-04
5–8 Part 5 Disassembly and Maintenance
3
1
5
5
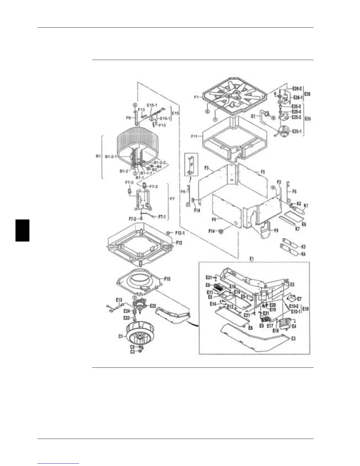
1.4 FFQ25, 35, 50, 60B
Exploded view The illustration below shows the exploded view.

Table of Contents

Other manuals for Daikin FCQ35B7V1

Related product manuals