EasyManua.ls Logo

Danfoss VLT Compressor Drive CDS 803 - Page 38

Danfoss VLT Compressor Drive CDS 803
82 pages
Print Icon
To Next Page IconTo Next Page
To Next Page IconTo Next Page
To Previous Page IconTo Previous Page
To Previous Page IconTo Previous Page
Loading...
B
a
c
k
OK
Com.
On
Warn.
Alarm
Hand
On
Reset
Auto
On
Menu
Status Quick
Menu
Main
Menu
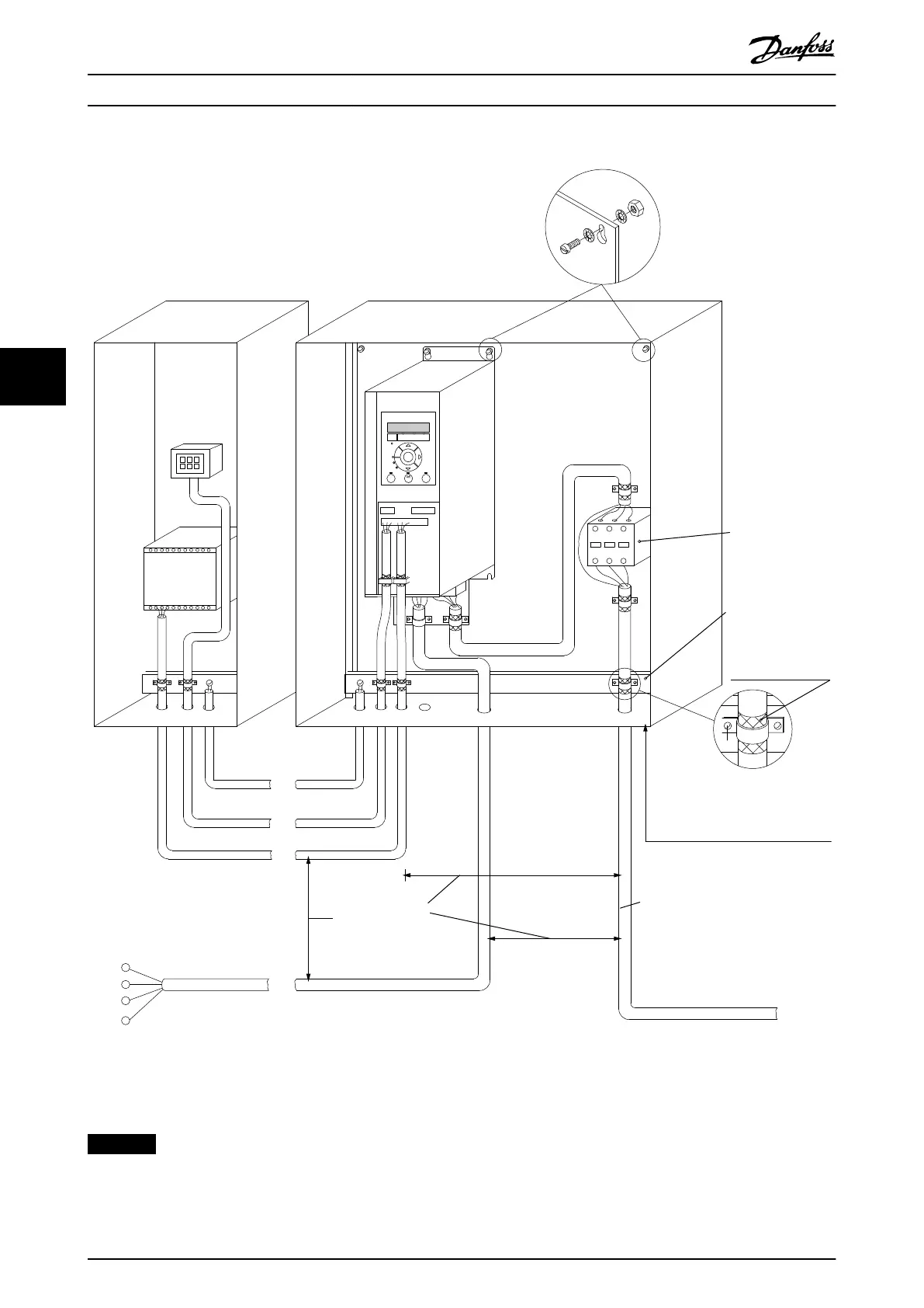
L1
L2
L3
PE
Minimum 16 mm
2
equalizing cable
Control cables
All cable entries in
one side of panel
Earthing rail
Cable insula-
tion stripped
Output con-
tactor
Motor cable
Motor, 3 phases and
PLC
Panel
Mains-supply
Minimum 200 mm
between control
cable, mains cable
and between mains
motor cable
PLC
protective earth
Reinforced protective earth
130BB761.11
Illustration 5.8 EMC-correct Electrical Installation
NOTICE
For North America use metal conduits instead of shielded cables.
How to Install
VLT
®
Compressor Drive CDS 803
36 Danfoss A/S © 12/2015 All rights reserved. MG18N202
55

Table of Contents

Related product manuals