EasyManua.ls Logo

DataCard 150i - Rear Components of the 150 I System

DataCard 150i
36 pages
Print Icon
To Next Page IconTo Next Page
To Next Page IconTo Next Page
To Previous Page IconTo Previous Page
To Previous Page IconTo Previous Page
Loading...
150i Desktop Card Personalization System 3
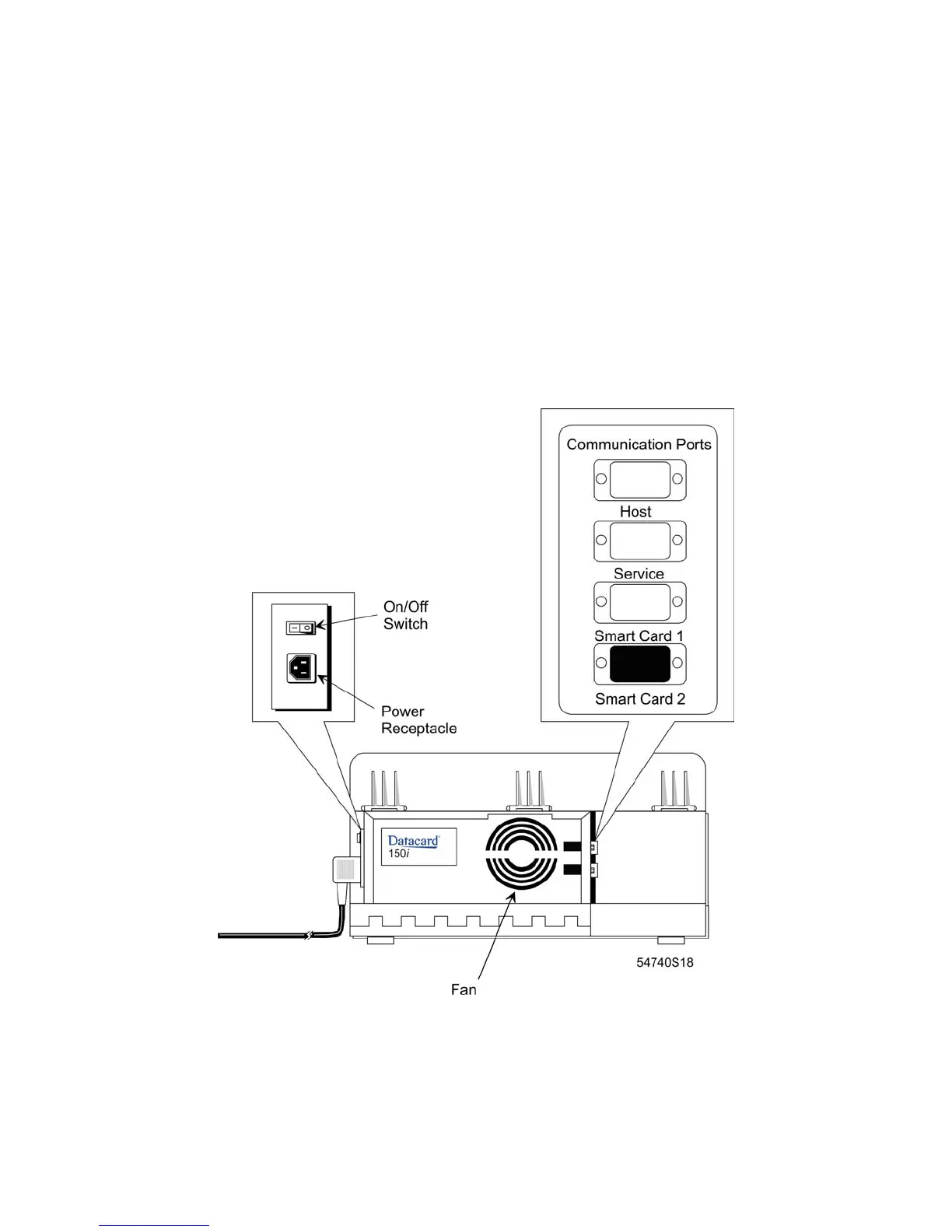
Rear Components of the 150i System
The following components are located on the back of the 150i system.
On/Off Switch
Communication Ports
Host
Service
Smart Card 1 (Option)
Power Receptacle
Fan

Other manuals for DataCard 150i

Related product manuals