EasyManua.ls Logo

Delta DVP-PM Series - Page 39

Delta DVP-PM Series
561 pages
To Next Page IconTo Next Page
To Next Page IconTo Next Page
To Previous Page IconTo Previous Page
To Previous Page IconTo Previous Page
Loading...
2 Hardware Specifications and Wiring
DVP-PM Application Manual
2-24
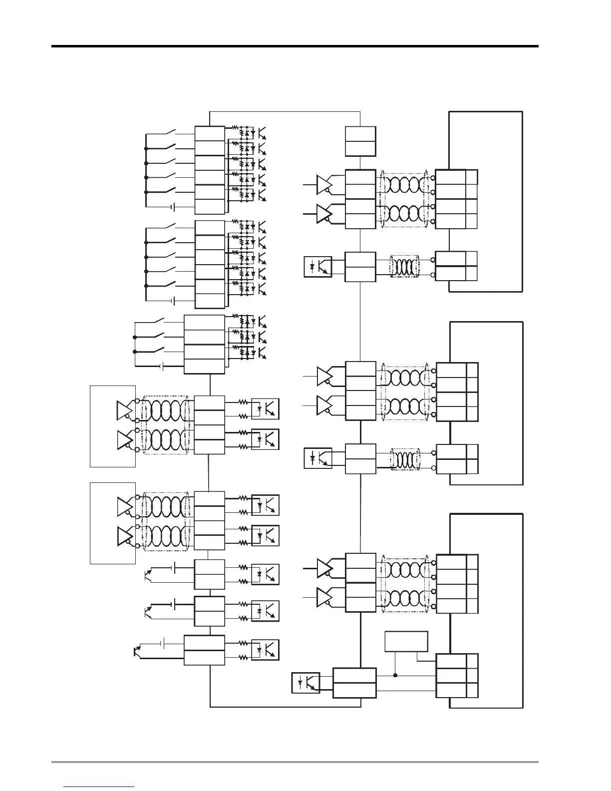
Wiring of DVP-20PM with Mitsubishi MJR2 series servo drive:
LSP0
LSN0
FP 0+
FP 0-
RP 0+
RP 0-
CLR0+
CLR0-
A0+
A0-
B0+
B0-
+24V
24V
0V
5-24VDC
NP
NG
PP
+24V
PG 0+
5-24VDC
LSP1
LSN1
A1+
A1-
B1+
B1-
PG 1+
PG 0 PG 0 -
PG 1-
FP 1+
FP 1-
RP 1+
RP 1-
CLR1+
CLR1-
START1
START0
STOP1
STOP0
PG
13
2
12
5-24VDC
3
CR
SG
8
10
5-24VDC
NP
NG
PP
PG
13
2
12
3
CR
SG
8
10
5-24VDC
S/S2
X3 (PG 2-)
FP 2+
FP 2-
RP 2+
RP 2-
NP
PP
PG
13
2
12
3
NG
5-24VDC
CLR2+ (Y2)
CLR2- (C2)
20
46
41
20
46
41
DC24V
GND +24V
DOCOM
DICOM
DOCOM
DICOM
CRCR
+24V
DOG2 (X0)
S/S2
LSP2 (X2)
LSN2 (X1)
DOG1
S/S1
DOG0
S/S0
Mitsubishi servo driv
e
MJR2 series
Mitsubishi servo drive
MJR2 series
Mitsubishi servo drive
MJR2 series
A-phase
B-phase
A-phase
B-phase
MPG pulses
MPG pulses
Shielded cable
Shielded cable

Table of Contents

Related product manuals