EasyManua.ls Logo

Delta ME300 Series - Page 376

Delta ME300 Series
457 pages
To Next Page IconTo Next Page
To Next Page IconTo Next Page
To Previous Page IconTo Previous Page
To Previous Page IconTo Previous Page
Loading...
Chapter 12 Description of Parameter SettingsME300
12.2-3
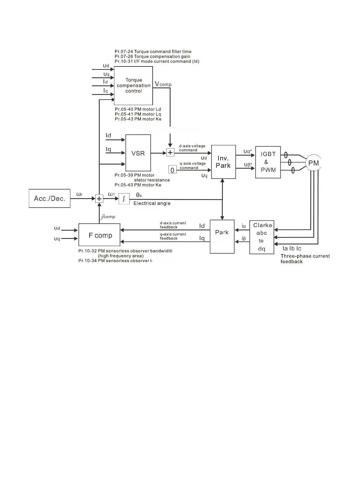
PMSVC control diagram

Table of Contents

Related product manuals