EasyManua.ls Logo

Delta ME300 Series - Page 52

Delta ME300 Series
457 pages
Print Icon
To Next Page IconTo Next Page
To Next Page IconTo Next Page
To Previous Page IconTo Previous Page
To Previous Page IconTo Previous Page
Loading...
Chapter 7 Optional AccessoriesME300
7-4
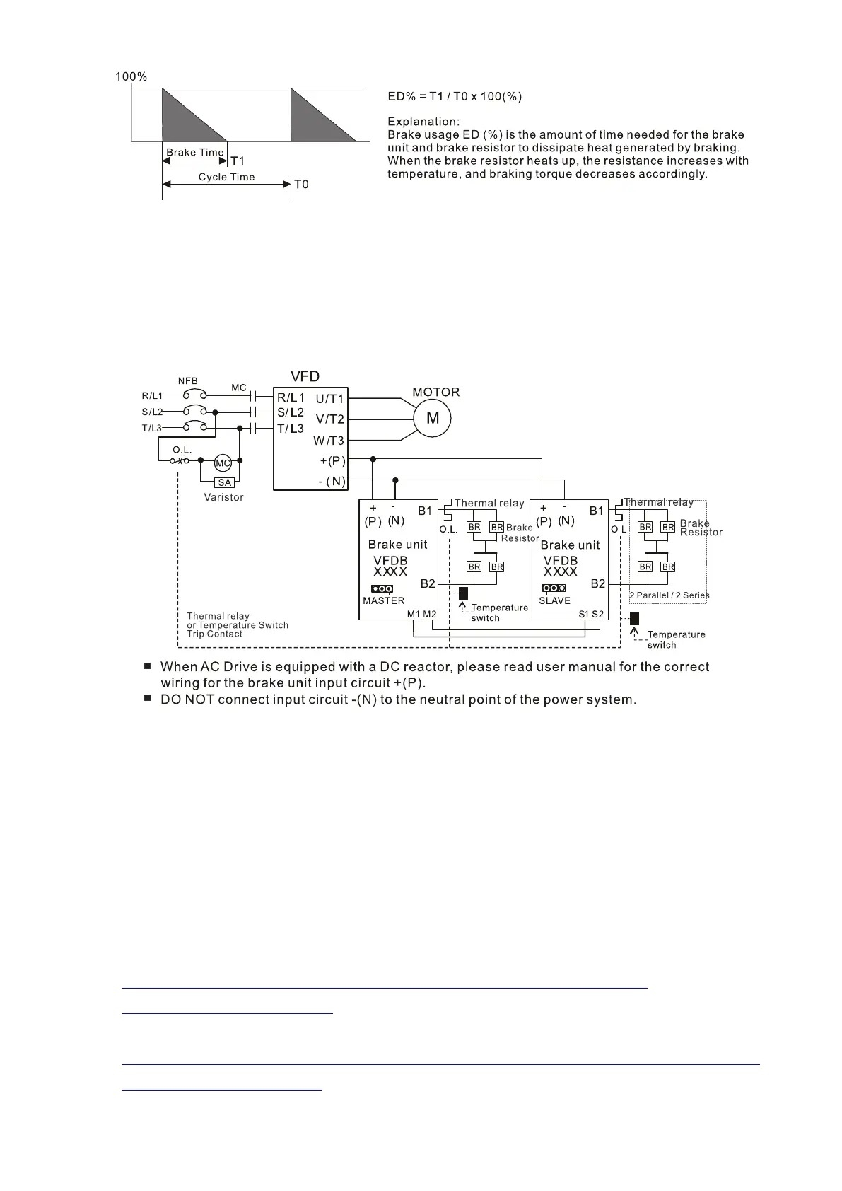
Figure 7-1
For safety, install a thermal overload relay (O.L) between the brake unit and the brake resistor in conjunction
with the magnetic contactor (MC) before the drive for additional protection. The thermal overload relay protects
the brake resistor from damage due to frequent or continuous braking. Under such circumstances, turn off the
power to prevent damage to the brake resistor, brake unit and drive.
NOTE: Never use it to disconnect the brake resistor.
Figure 7-2
2. Any damage to the drive or other equipment caused by using brake resistors and brake modules that are not
provided by Delta voids the warranty.
3. Consider environmental safety factors when installing the brake resistors. If you use the minimum resistance
value, consult local dealers for the power calculation.
4. When using more than two brake units, the equivalent resistor value of the parallel brake unit cannot be less
than the value in the column Min. Resistor Value ]”. Read the wiring information in the brake unit instruction
sheet thoroughly prior to operation. Visit the following links to get the instruction sheets for the wiring in the
brake unit:
VFDB2015 / 2022 / 4030 / 4045 / 5055 Braking Modules Instruction Sheet
http://www.deltaww.com/filecenter/Products/download/06/060101/Option/DELTA_IA-
MDS_VFDB_I_EN_20070719.pdf
VFDB4110 / 4160 / 4185 Braking Modules Instruction Sheet
http://www.deltaww.com/filecenter/Products/download/06/060101/Option/DELTA_IA-MDS_VFDB4110-
4160-4185_I_EN_20101011.pdf

Table of Contents

Related product manuals