EasyManua.ls Logo

Delta ME300 Series - Page 67

Delta ME300 Series
457 pages
To Next Page IconTo Next Page
To Next Page IconTo Next Page
To Previous Page IconTo Previous Page
To Previous Page IconTo Previous Page
Loading...
Chapter 7 Optional AccessoriesME300
7-19
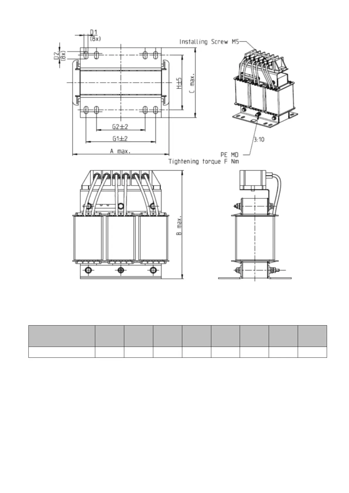
Figure 7-8
Unit: mm
Input AC reactor
Delta part #
A B C D1*D2 H G1 G2 PE D
DR025AP507 130 195 100 6*12 65 80.5 60 M4
Table 7-20

Table of Contents

Related product manuals