EasyManua.ls Logo

Dionex UltiMate 3000 - Page 42

Dionex UltiMate 3000
73 pages
Print Icon
To Next Page IconTo Next Page
To Next Page IconTo Next Page
To Previous Page IconTo Previous Page
To Previous Page IconTo Previous Page
Loading...
UltiMate 3000 Nano and Cap- System Installation and Application
38
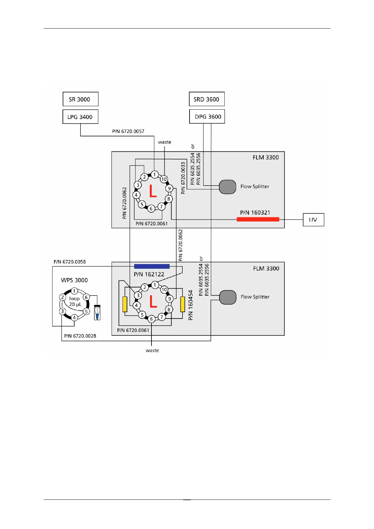
Fig. 19, too, illustrates the fluid connections for comprehensive 2D LC for capillary (1
st
dimension) and nano (2
nd
dimension) HLPC. The part numbers in the picture refer to the standard
devices.
Fig. 19: Fluid connections for comprehensive 2D LC (standard devices)

Other manuals for Dionex UltiMate 3000

Related product manuals