EasyManua.ls Logo

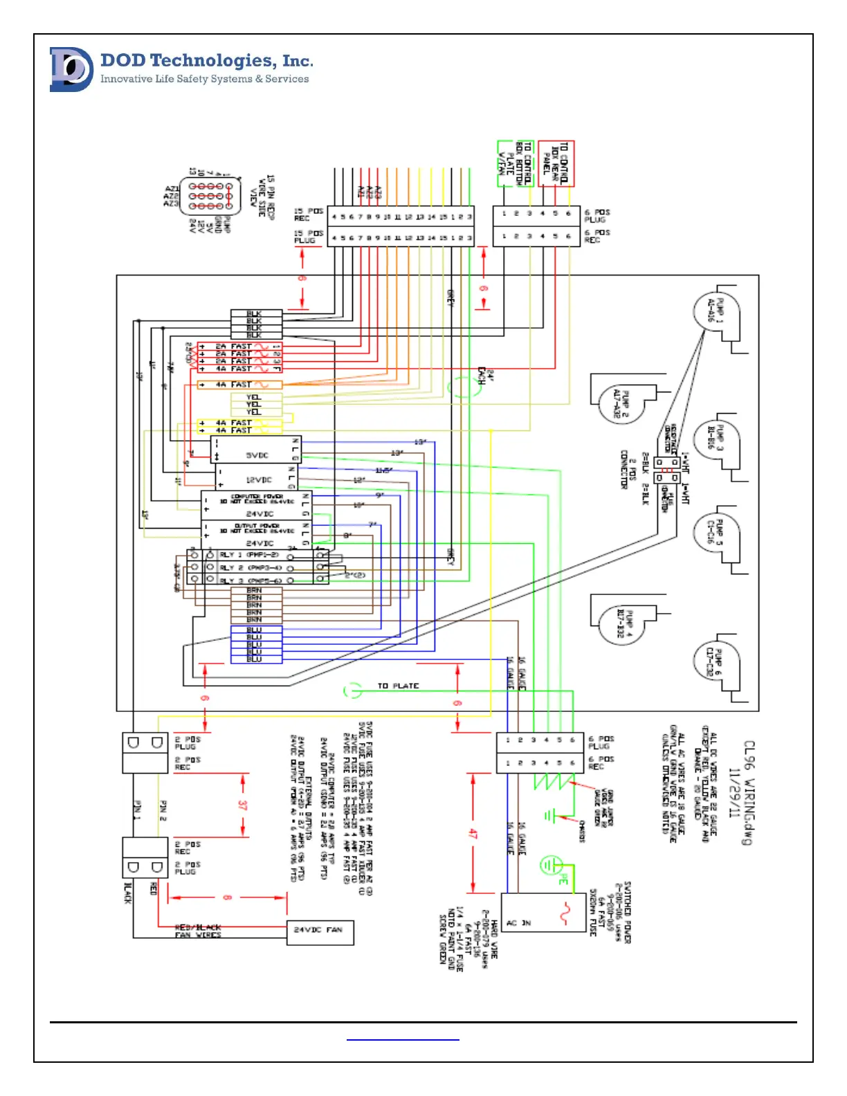
DOD CL96 - Appendix B: Pump Panel Wiring Diagram

DOD CL96
44 pages
Print Icon
To Next Page IconTo Next Page
To Next Page IconTo Next Page
To Previous Page IconTo Previous Page
To Previous Page IconTo Previous Page
Loading...
Page 40 of 44
DOD Technologies, INC • 675 Industrial Dr. Bldg. A • Cary, IL 60013 • Phone (815) 788-5200 • Fax (815) 788-5300
DC-MAN-CL96Servicemanual
Innovative Life Safety Systems & Services
Appendix B: Pump Panel Wiring