EasyManua.ls Logo

Doosan G643E - Page 116

Doosan G643E
260 pages
Print Icon
To Next Page IconTo Next Page
To Next Page IconTo Next Page
To Previous Page IconTo Previous Page
To Previous Page IconTo Previous Page
Loading...
G643(E) Service Manual Chapter 4. Engine Electrical System 114
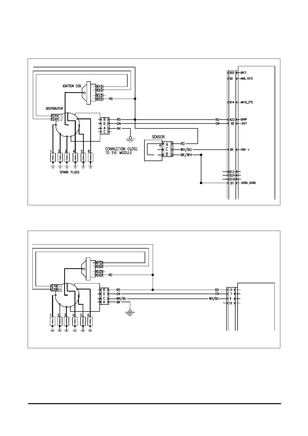
lgnition System Schematic for G643E
lgnition System Schematic for G643
V
+
SECM24
IGNITION COIL
DISTRIBUTOR
SPARK PLUGS
CONNECTION CLOSE
TO THE MODULE
ECUP_AN1
EST1 (5V)
CNK +
CRANK
V
+
SECM48

Table of Contents

Related product manuals