EasyManua.ls Logo

Dyadic Systems SCN6 - Page 58

Default Icon
63 pages
Print Icon
To Next Page IconTo Next Page
To Next Page IconTo Next Page
To Previous Page IconTo Previous Page
To Previous Page IconTo Previous Page
Loading...
. .
Dyadic Systems – Mechatronics Cylinder Manual MF-005500-EN-58/63
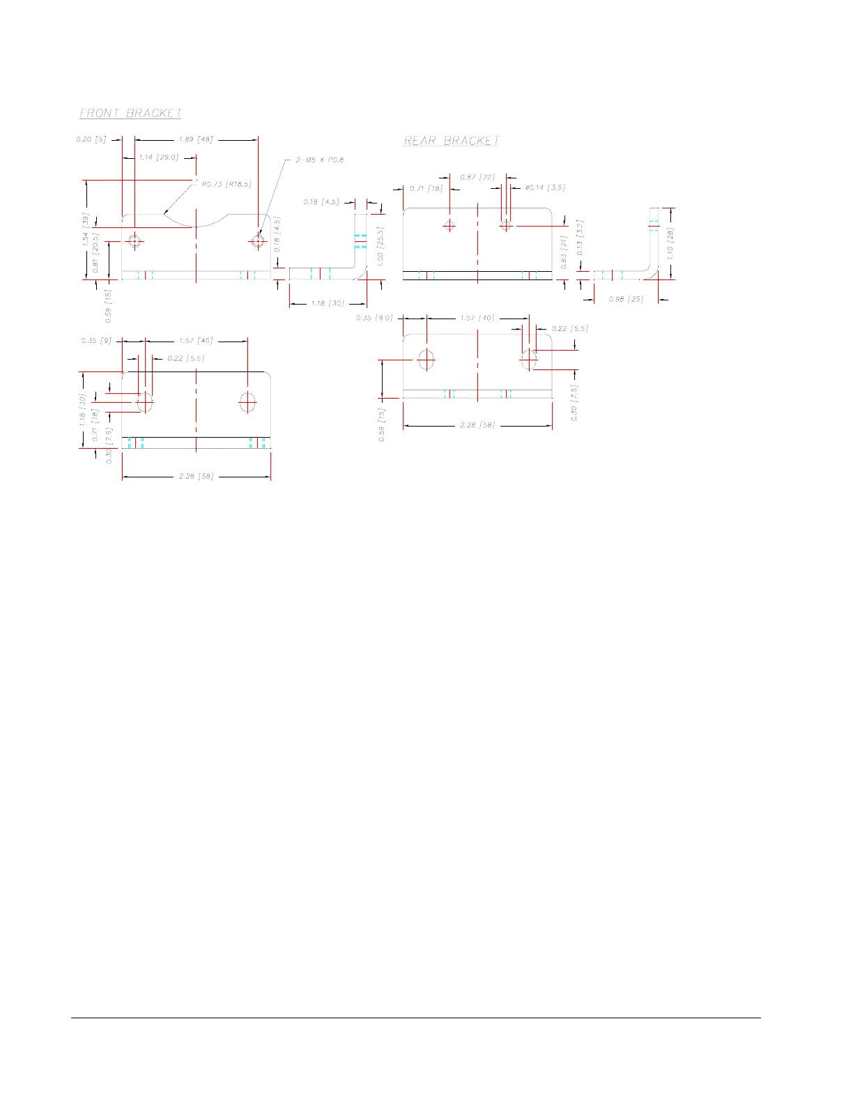
FT002: for SCN6

Table of Contents

Related product manuals