EasyManua.ls Logo

EBS PX200N - 3 Assembly and Wiring

EBS PX200N
58 pages
Print Icon
To Next Page IconTo Next Page
To Next Page IconTo Next Page
To Previous Page IconTo Previous Page
To Previous Page IconTo Previous Page
Loading...
PX200N_Manual_en-1.11i7 Page 8 / 58
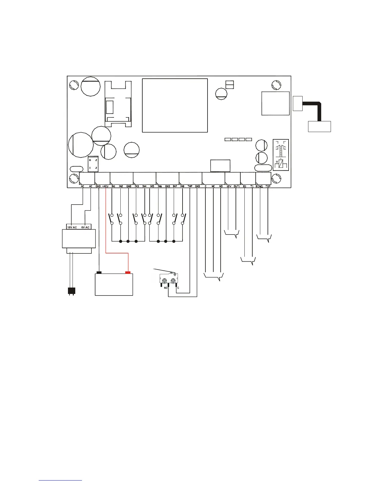
3. ASSEMBLY AND WIRING
PROG
BATTERY
12V 1.2Ah
+
-
TRANSFORMER
230V AC
TAMPER
OUTPUT
(OC TYPE)
RELAY OUTPUT
1A / 125V
8 INPUTS
SIM CARD
GSM MODULE
R
J
4
5
DB-9
SERVICE CABLE
OR
DATA CABLE
PC
LINE
DTMF DIALER
(CONTROL PANEL)
RST
ERROR
DTMF
STATUS
OK
PRG

Table of Contents

Related product manuals