EasyManua.ls Logo

EKOM DK50 PLUS/M - Page 150

EKOM DK50 PLUS/M
240 pages
Print Icon
To Next Page IconTo Next Page
To Next Page IconTo Next Page
To Previous Page IconTo Previous Page
To Previous Page IconTo Previous Page
Loading...
INŠTALÁCIA
NP-DK50 2V-A-4_10-2022-AD 150 10/2022
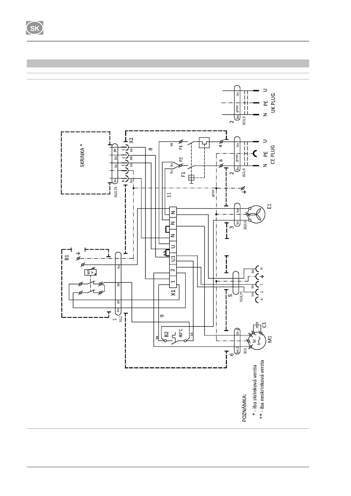
15.2. Elektrické schémy
DK50 2V S/M
1/N/PE 230 V, 50/60 Hz
ELEKTRICKÝ PREDMET TR.1
Poznámka:
Mostík zapojiť iba pri kompresore bez skrinky (pozri kap. 22.10)

Table of Contents

Related product manuals