EasyManua.ls Logo

EKOM DK50 PLUS/M - Page 152

EKOM DK50 PLUS/M
240 pages
Print Icon
To Next Page IconTo Next Page
To Next Page IconTo Next Page
To Previous Page IconTo Previous Page
To Previous Page IconTo Previous Page
Loading...
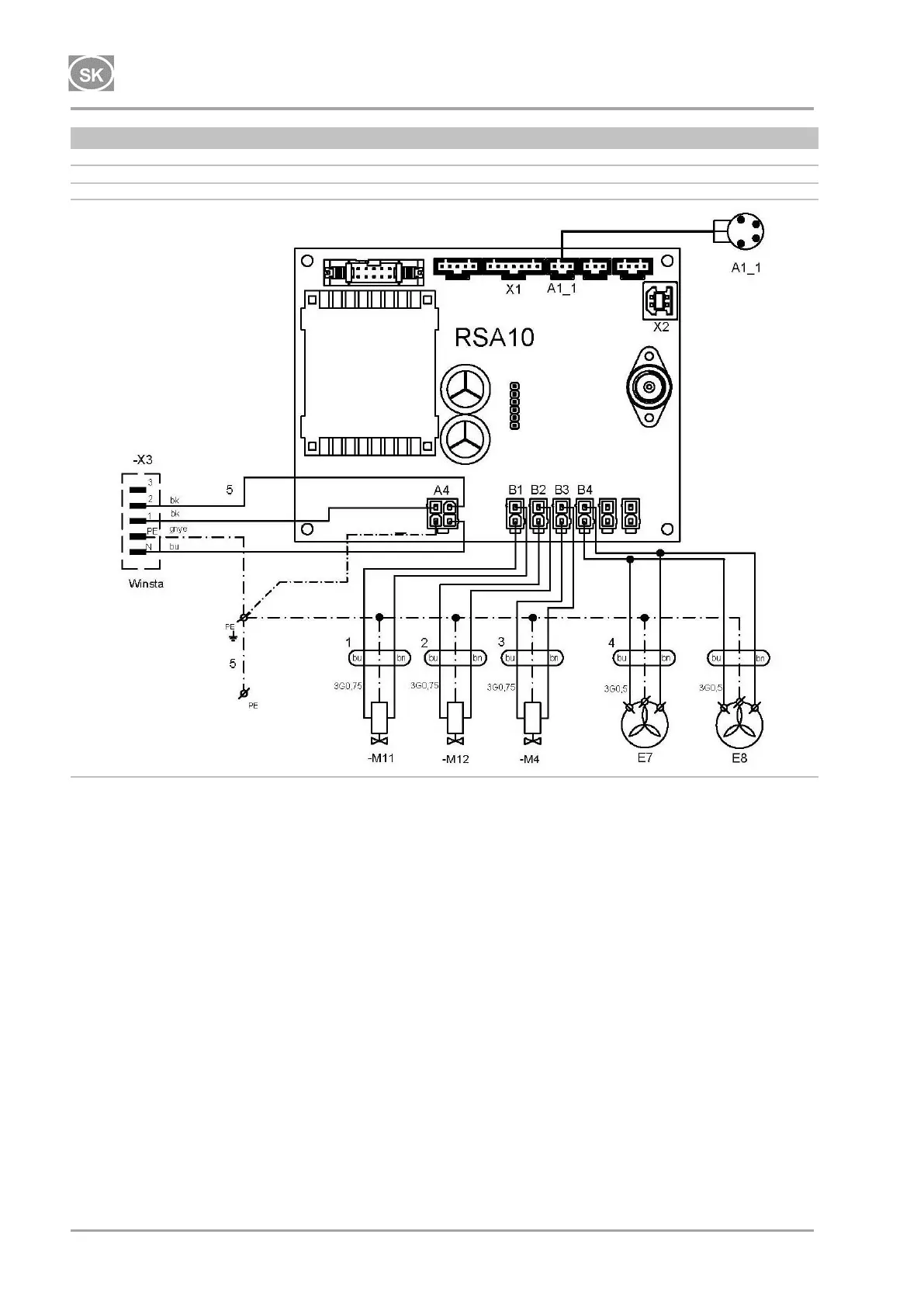
INŠTALÁCIA
NP-DK50 2V-A-4_10-2022-AD 152 10/2022
AD280
1/N/PE ~ 230V, 50Hz / 230V, 60Hz
~ 120V, 60Hz
ELEKTRICKÝ PREDMET TR.1
Poznámka:
Snímač rosného bodu (A1_1) nie je súšasťou sušiča, v prípade záujmu kontaktovať
dodávateľa.

Table of Contents

Related product manuals