EasyManua.ls Logo

EKOM DK50 PLUS/M - Page 35

EKOM DK50 PLUS/M
240 pages
Print Icon
To Next Page IconTo Next Page
To Next Page IconTo Next Page
To Previous Page IconTo Previous Page
To Previous Page IconTo Previous Page
Loading...
INSTALLATION
10/2022 35 NP-DK50 2V-A-4_10-2022-AD
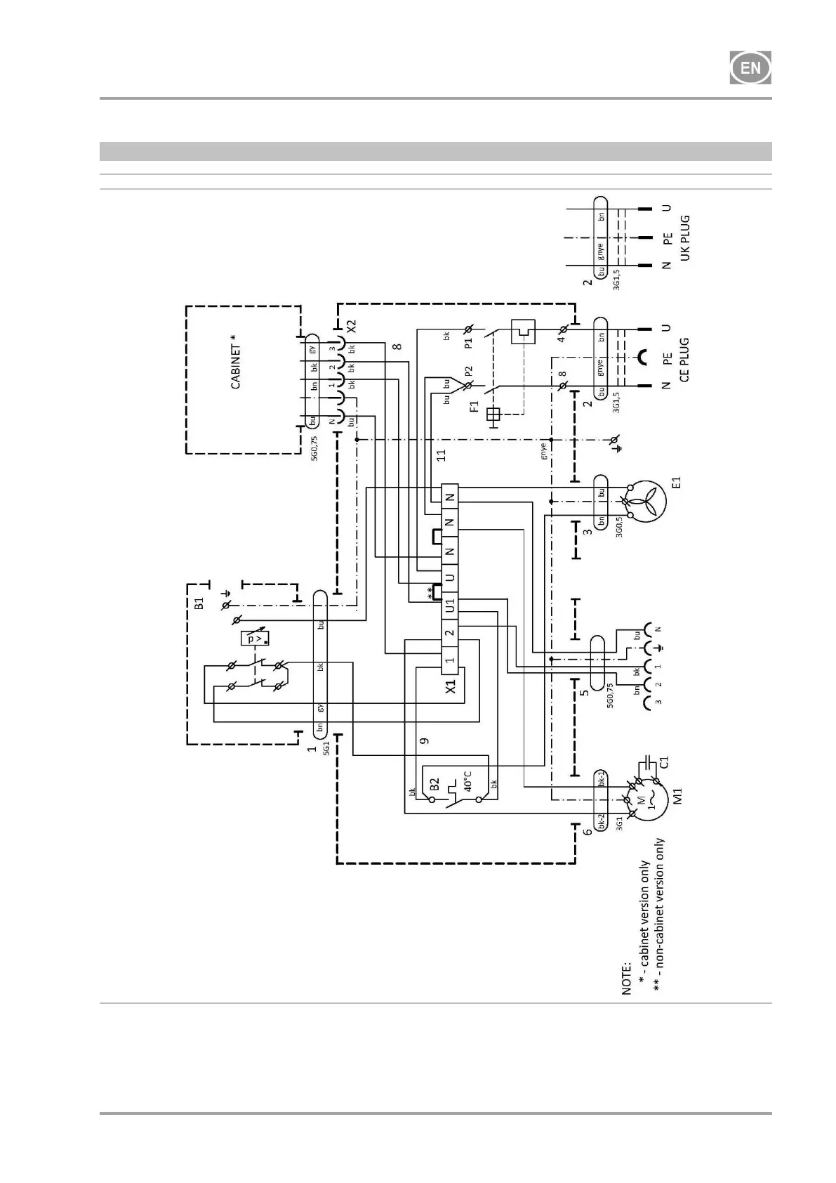
15.2. Electrical diagram
DK50 2V/M, DK50 2V S/M
6 - 8 bar
1/N//PE 230 V, 50 Hz
ELEKTRIC OBJECT OF 1st. CAT.
Note:
Only connect the jumper for compressors without cabinet (see chap. 22.10)

Table of Contents

Related product manuals