EasyManua.ls Logo

EKOM DK50 PLUS/M - Page 93

EKOM DK50 PLUS/M
240 pages
Print Icon
To Next Page IconTo Next Page
To Next Page IconTo Next Page
To Previous Page IconTo Previous Page
To Previous Page IconTo Previous Page
Loading...
INSTALLATION
10/2022 93 NP-DK50 2V-A-4_10-2022-AD
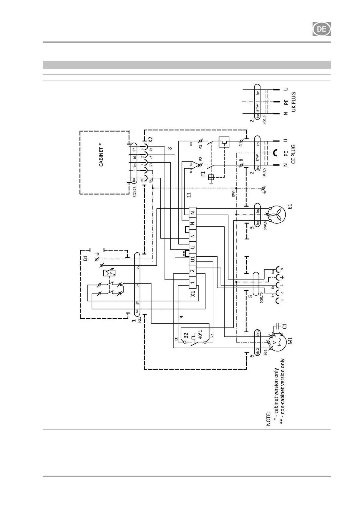
15.2. Elektroschaltpläne
DK50 2V S/M
6 - 8 bar
1/N/PE 230 V, 50/60 Hz
ELEKTRISCHE OBJEKTKLASSE 1
Hinweis:
Schließen Sie den Jumper nur für Kompressormodelle ohne Gehäuse an (siehe Kap.
22.10)

Table of Contents

Related product manuals