EasyManua.ls Logo

Electrolux EWM09311 - 20.1.5 EWX14931 Electrical characteristics with three-phase motor and inverter

Electrolux EWM09311
124 pages
Print Icon
To Next Page IconTo Next Page
To Next Page IconTo Next Page
To Previous Page IconTo Previous Page
To Previous Page IconTo Previous Page
Loading...
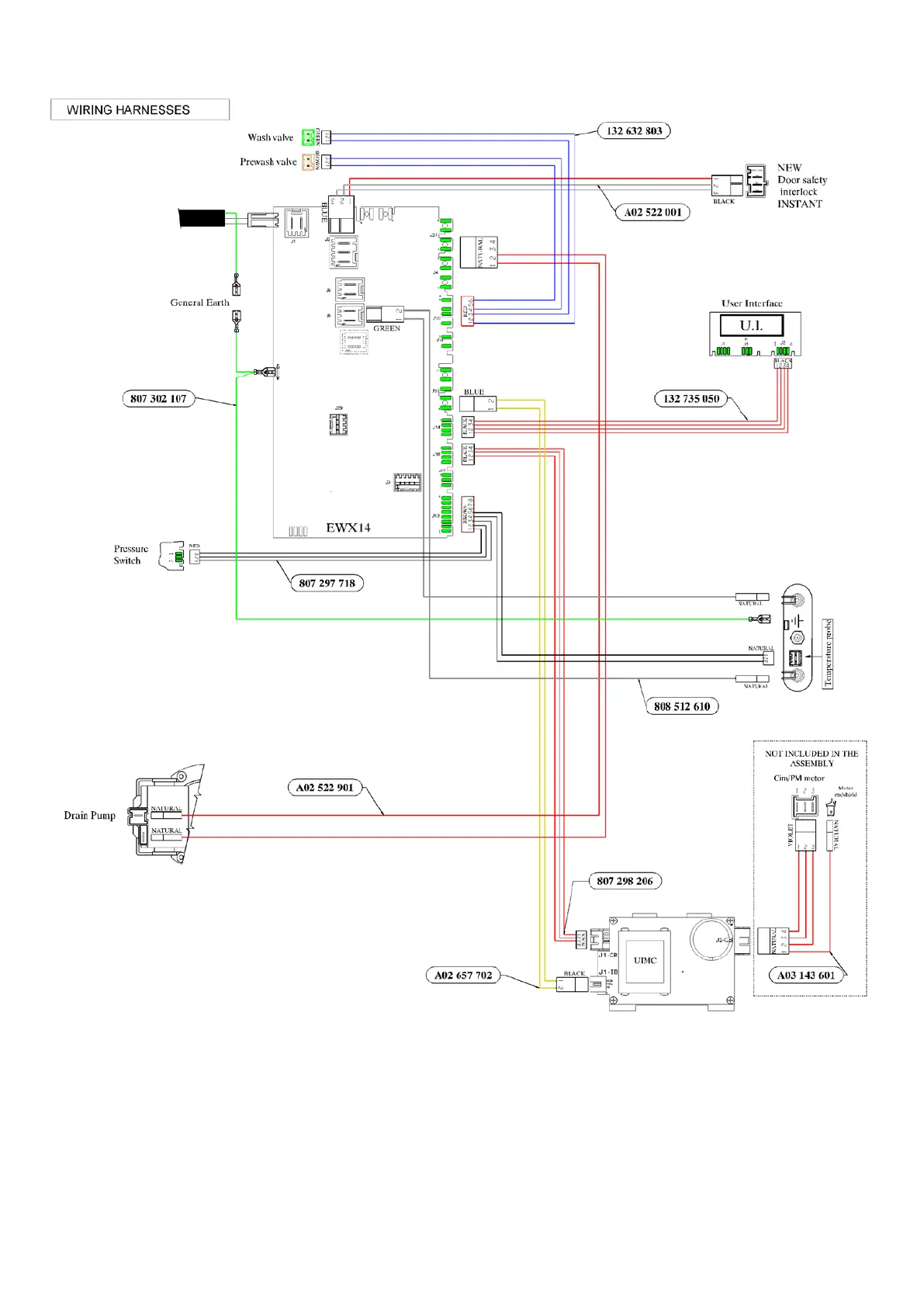
20.1.5 EWX14931 Electrical characteristics with three-phase motor and inverter
Technical Support - DMM 77/124 599 75 58-67 Rev. 04

Table of Contents

Related product manuals