EasyManua.ls Logo

Electrolux EWM09311 - MAIN ELECTRICAL CIRCUIT DIAGRAM; 22.1 EWM09311 & EWM09312 Diagram

Electrolux EWM09311
124 pages
Print Icon
To Next Page IconTo Next Page
To Next Page IconTo Next Page
To Previous Page IconTo Previous Page
To Previous Page IconTo Previous Page
Loading...
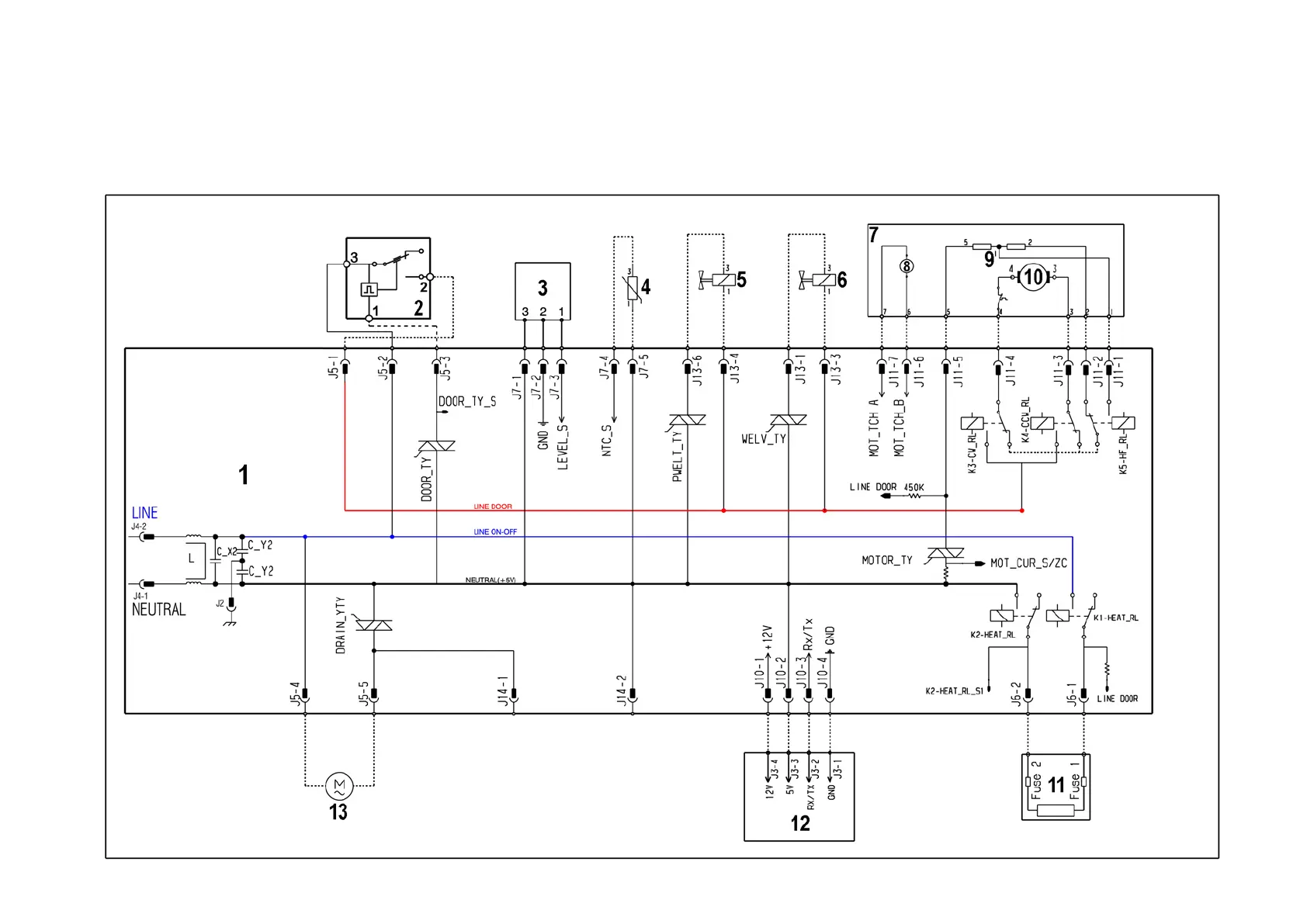
22 MAIN ELECTRICAL CIRCUIT DIAGRAM
22.1 EWM09311 & EWM09312 Diagram
Technical Support - DMM 93/124 599 75 58-67 Rev. 02

Table of Contents

Related product manuals