EasyManua.ls Logo

Emerson FB1200 - Base I;O on CPU (Without Optional I;O)

Emerson FB1200
114 pages
Print Icon
To Next Page IconTo Next Page
To Next Page IconTo Next Page
To Previous Page IconTo Previous Page
To Previous Page IconTo Previous Page
Loading...
Emerson FB1200 Flow Computer Instruction Manual
D301782X012
March 2019
I/O Configuration and Wiring 53
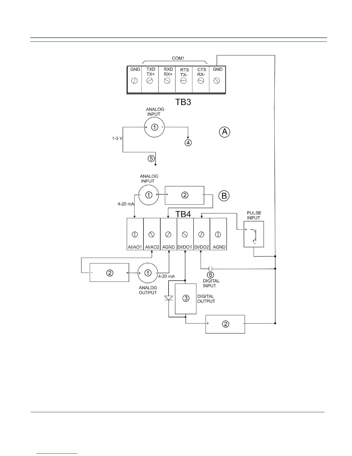
Figure 3-2: Base I/O On CPU (without Optional I/O)
A
When wiring a 1-5 V Analog Input (AI), use configuration at left
B
When wiring a 4-20 mA Analog Input (AI), use configuration at left
1
Field Device
2
Power Supply 30Vdc Max
3
500 mA load max
4
To AGND
5
To AIAOx
6
Dry contact

Table of Contents

Other manuals for Emerson FB1200

Related product manuals