EasyManua.ls Logo

ep ICE301B - Hydraulic Schematic Diagram; Pump Motor & Gear Pump

ep ICE301B
54 pages
Print Icon
To Next Page IconTo Next Page
To Next Page IconTo Next Page
To Previous Page IconTo Previous Page
To Previous Page IconTo Previous Page
Loading...
58
REV. 09/2020
59
REV. 09/2020
HYDRAULIC SYSTEM HYDRAULIC SYSTEM
7 7
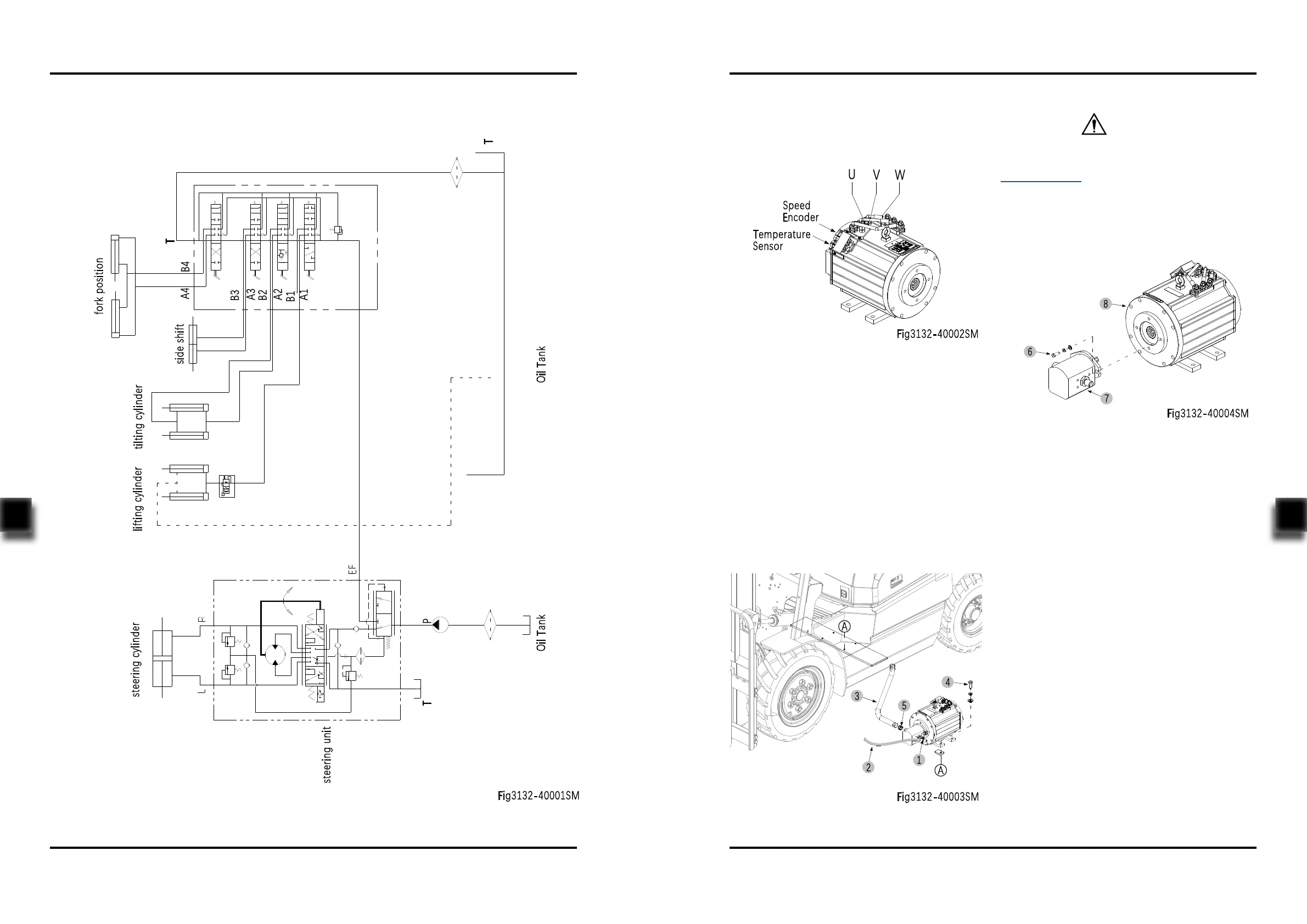
7.1.1 Hydraulic Schematic Diagram
- Turn o󰀨 the truck power and remove the key;
- Remove the AMP connector on the pump
motor and remove the cables U, V and W
from the pump motor;
- Loosen the tubing connector (1) with a
wrench, and then remove the tubing from the
gear pump;
- Loosen the clips on the clamp (5), remove the
pipe (3) from the gear pump;
- Unscrew the four bolts (4) and remove the
pump motor & gear pump assembly from the
chassis;
Removal
Installation
- Install according to the reverse order of rem-
oval.
When removing the tubing and pipe, the system
will lose some hydraulic oil, please refer to
Section 2.2.3 for supplementary adding of
hydraulic oil.
CAUTION
7.2 Pump Motor & Gear Pump
This truck obtains hydraulic power through the
AC pump motor.
- Unscrew the two bolts (6) and remove the
gear pump (6) from the pump motor (8).

Table of Contents

Related product manuals