EasyManua.ls Logo

EXFO MaxTester Max-610 - Page 82

EXFO MaxTester Max-610
281 pages
Print Icon
To Next Page IconTo Next Page
To Next Page IconTo Next Page
To Previous Page IconTo Previous Page
To Previous Page IconTo Previous Page
Loading...
Setting Up Copper Tests
74 MAX-610
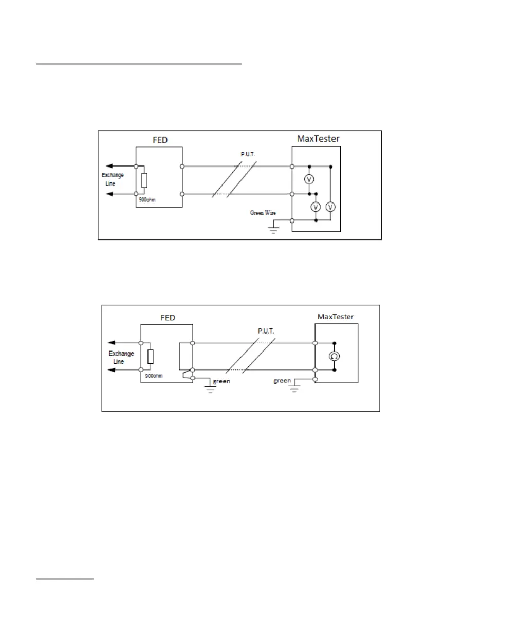
FED Setup
2. For Open, set the FED so that the T-R/A-B wires connected to the
customer side of the FED are open circuited.
3. For T-R-G/A-B-E Shorted, set the FED so that T-R-G/A-B-E are all short
circuited (connected to each other) at the customer side of the FED.
Note: P. U . T., in the above diagrams, refers to the Pair Under Test.
Remote is the FED, and Controller is the MaxTester.

Table of Contents

Related product manuals